Toro 35-30SL03 - 30" Side Discharge Mower, 1992 (2000001-2999999) DECK ASSEMBLY Ersatzteile
DECK ASSEMBLY 35-30SL03 - Toro 30" Side Discharge Mower, 1992 (2000001-2999999)

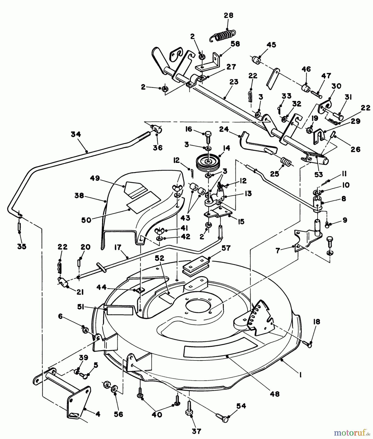
Hier finden Sie die Ersatzteilzeichnung für Toro Neu Mowers, Deck Assembly Only 35-30SL03 - Toro 30" Side Discharge Mower, 1992 (2000001-2999999) DECK ASSEMBLY. Wählen Sie das benötigte Ersatzteil aus der Ersatzteilliste Ihres Toro Gerätes aus und bestellen Sie einfach online. Viele Toro Ersatzteile halten wir ständig in unserem Lager für Sie bereit.


Qualitätsmanagement
Informieren Sie uns, wenn Sie einen Fehler gefunden haben.





