Toro 30575 - 72" Side Discharge Mower, 1989 (900001-999999) GRASS COLLECTOR MODEL 30561 (OPTIONAL) #2 Ersatzteile
GRASS COLLECTOR MODEL 30561 (OPTIONAL) #2 30575 - Toro 72" Side Discharge Mower, 1989 (900001-999999)

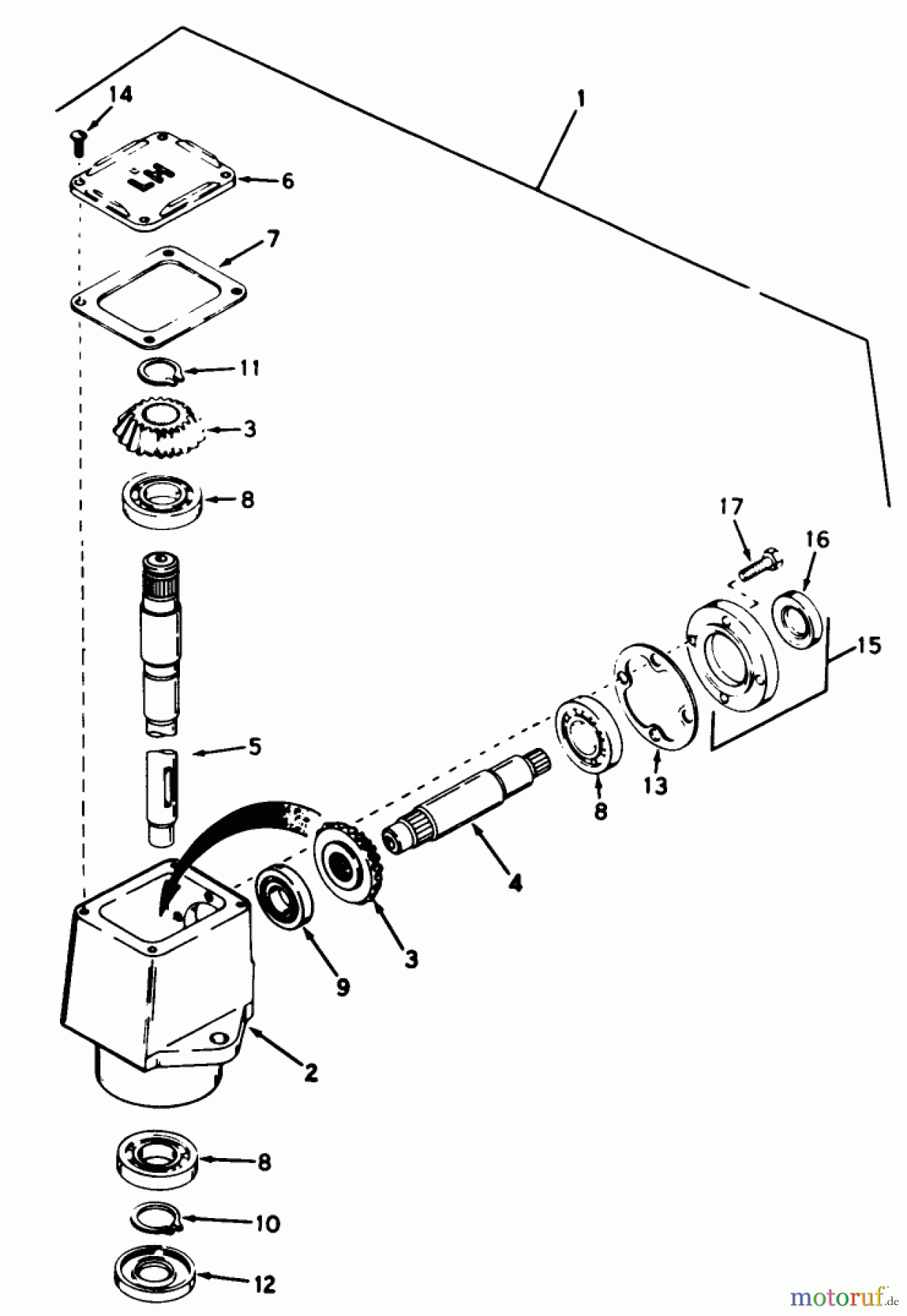
Hier finden Sie die Ersatzteilzeichnung für Toro Neu Mowers, Deck Assembly Only 30575 - Toro 72" Side Discharge Mower, 1989 (900001-999999) GRASS COLLECTOR MODEL 30561 (OPTIONAL) #2. Wählen Sie das benötigte Ersatzteil aus der Ersatzteilliste Ihres Toro Gerätes aus und bestellen Sie einfach online. Viele Toro Ersatzteile halten wir ständig in unserem Lager für Sie bereit.
| BildNr | Artikel Nummer | Bezeichnung | |
| 1 | TC794402 | WINKELGETRIEBE | |
| 2 | TC770026A | HOUSING | |
| 3 | TC778046 | MITER GEAR | |
| 4 | TC776250 | EINGANGSWELLE | |
| 5 | TC776249 | OUTPUT SHAFT | |
| 6 | TC772035 | DECKEL | |
| 7 | TC788028 | GASKET | |
| 8 | TC780034 | LAGER | |
| 9 | TC780024 | LAGER | |
| 10 | TC788019 | SICHERUNGSRING | |
| 11 | TC788018 | RET RING | |
| 12 | TR788029 | ||
| 13 | TR788030 | ||
| 14 | TC792025 | SCHRAUBE | |
| 15 | TC786029 | DECKEL U, WDR | |
| 16 | TC788031 | OIL SEAL | |
| 17 | TC792026 | SCREW | |


Qualitätsmanagement
Informieren Sie uns, wenn Sie einen Fehler gefunden haben.

