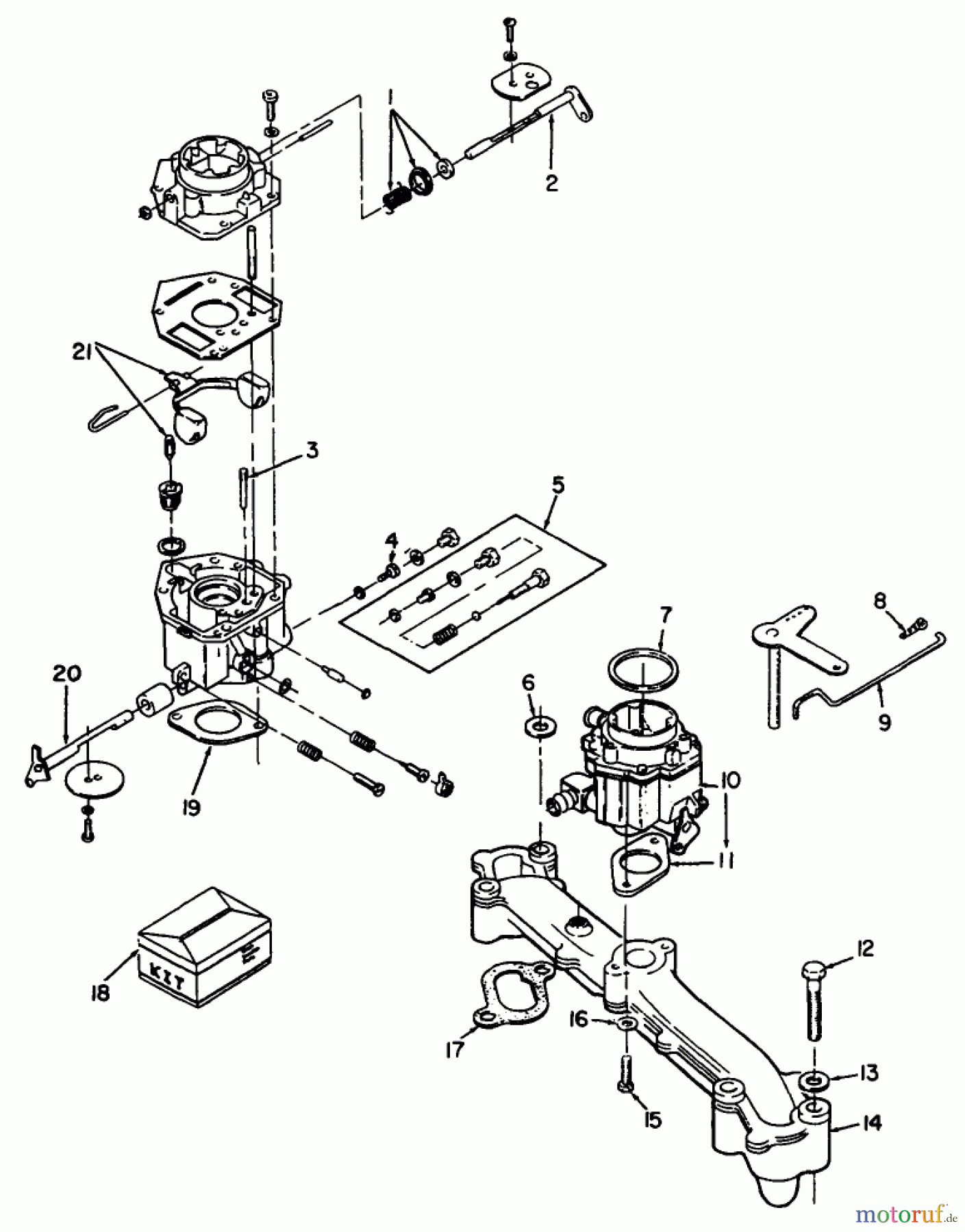
Toro 30575 - 72" Side Discharge Mower, 1989 (900001-999999) CARBURETOR & FUEL SYSTEM-ENGINE, ONAN MODEL NO. P220G, TYPE NO. 1/10808C Ersatzteile
CARBURETOR & FUEL SYSTEM-ENGINE, ONAN MODEL NO. P220G, TYPE NO. 1/10808C 30575 - Toro 72" Side Discharge Mower, 1989 (900001-999999)

Hier finden Sie die Ersatzteilzeichnung für Toro Neu Mowers, Deck Assembly Only 30575 - Toro 72" Side Discharge Mower, 1989 (900001-999999) CARBURETOR & FUEL SYSTEM-ENGINE, ONAN MODEL NO. P220G, TYPE NO. 1/10808C. Wählen Sie das benötigte Ersatzteil aus der Ersatzteilliste Ihres Toro Gerätes aus und bestellen Sie einfach online. Viele Toro Ersatzteile halten wir ständig in unserem Lager für Sie bereit.


Qualitätsmanagement
Informieren Sie uns, wenn Sie einen Fehler gefunden haben.

