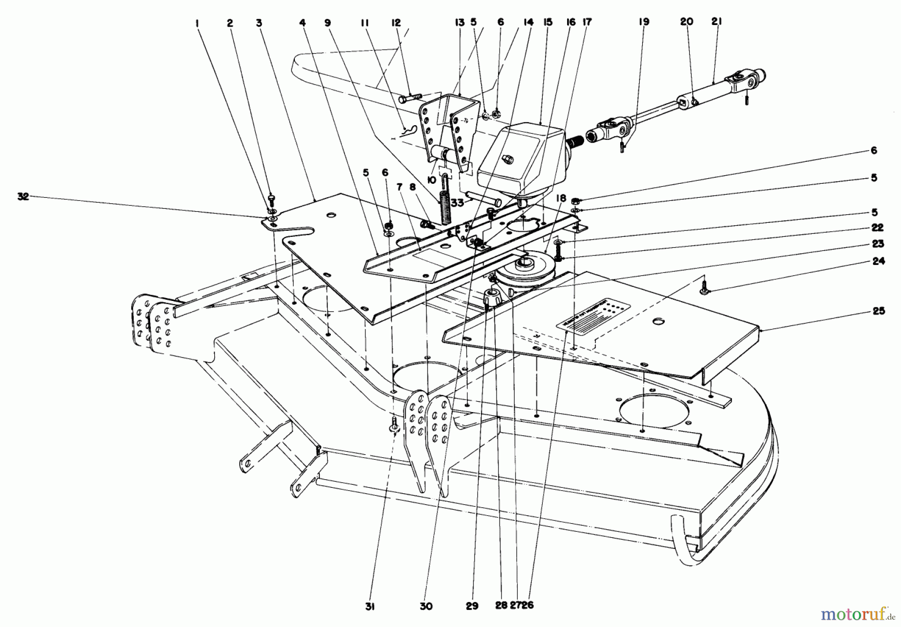
Toro 30562 (200) - 62" Side Discharge Mower, Groundsmaster 200 Series, 1983 (SN 30001-39999) CUTTING UNIT MODEL NO. 30560 #3 Ersatzteile
CUTTING UNIT MODEL NO. 30560 #3 30562 (200) - Toro 62" Side Discharge Mower, Groundsmaster 200 Series, 1983 (SN 30001-39999)

Hier finden Sie die Ersatzteilzeichnung für Toro Neu Mowers, Deck Assembly Only 30562 (200) - Toro 62" Side Discharge Mower, Groundsmaster 200 Series, 1983 (SN 30001-39999) CUTTING UNIT MODEL NO. 30560 #3. Wählen Sie das benötigte Ersatzteil aus der Ersatzteilliste Ihres Toro Gerätes aus und bestellen Sie einfach online. Viele Toro Ersatzteile halten wir ständig in unserem Lager für Sie bereit.






