Toro 30555 (200) - 52" Side Discharge Mower, Groundsmaster 200 Series, 1993 (3900001-3999999) COVERS AND GEAR BOX ASSEMBLY Ersatzteile
COVERS AND GEAR BOX ASSEMBLY 30555 (200) - Toro 52" Side Discharge Mower, Groundsmaster 200 Series, 1993 (3900001-3999999)

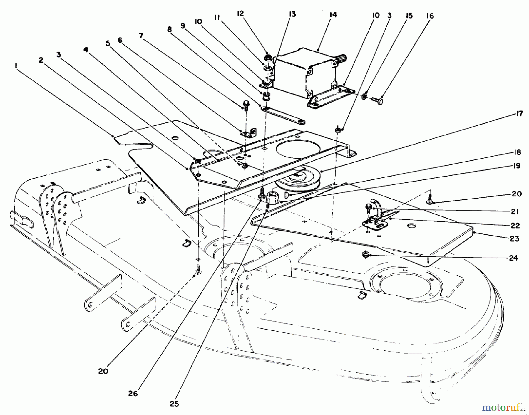
Hier finden Sie die Ersatzteilzeichnung für Toro Neu Mowers, Deck Assembly Only 30555 (200) - Toro 52" Side Discharge Mower, Groundsmaster 200 Series, 1993 (3900001-3999999) COVERS AND GEAR BOX ASSEMBLY. Wählen Sie das benötigte Ersatzteil aus der Ersatzteilliste Ihres Toro Gerätes aus und bestellen Sie einfach online. Viele Toro Ersatzteile halten wir ständig in unserem Lager für Sie bereit.





