Toro 30544 (120) - 44" Side Discharge Mower, Groundsmaster 120, 1988 (800001-899999) VALVE ASSEMBLY NO. 54-0090 Ersatzteile
VALVE ASSEMBLY NO. 54-0090 30544 (120) - Toro 44" Side Discharge Mower, Groundsmaster 120, 1988 (800001-899999)

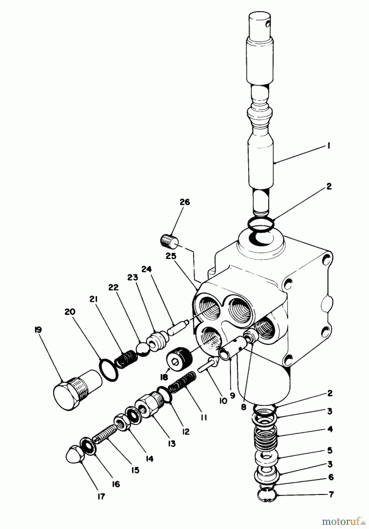
Hier finden Sie die Ersatzteilzeichnung für Toro Neu Mowers, Deck Assembly Only 30544 (120) - Toro 44" Side Discharge Mower, Groundsmaster 120, 1988 (800001-899999) VALVE ASSEMBLY NO. 54-0090. Wählen Sie das benötigte Ersatzteil aus der Ersatzteilliste Ihres Toro Gerätes aus und bestellen Sie einfach online. Viele Toro Ersatzteile halten wir ständig in unserem Lager für Sie bereit.
| BildNr | Artikel Nummer | Bezeichnung | |
| 1 | TR54-0260 | Steuerkolben | |
| 2 | TR22-8500 | O-Ring | |
| 3 | TR22-8380 | RETAINER | |
| 4 | TR22-8410 | SPRING | |
| 5 | TR27-5200 | FLOAT SPACER | |
| 6 | TR22-8480 | RING-SNAP | |
| 7 | TR22-8490 | RING-SNAP | |
| 8 | TR55-3640 | RUECKSCHLAGVENTIL | |
| 9 | TR | ||
| 10 | TR | ||
| 12 | TR | ||
| 13 | TR | ||
| 14 | TR | ||
| 15 | TR | ||
| 16 | TR | ||
| 17 | TR | ||
| 18 | TR28-1120 | KONTROLLSTOPFEN | |
| 19 | TR22-8330 | PLUG | |
| 20 | TR237-42 | O-RING | |
| 21 | TR22-8340 | SPRING | |
| 22 | TR22-8350 | Kugel | |
| 23 | TR22-8370 | Ventilsitz | |
| 24 | TR22-8360 | PIN | |
| 26 | TR55-3650 | STOPFEN | |
| TR55-3630 | Ventil | ||


Qualitätsmanagement
Informieren Sie uns, wenn Sie einen Fehler gefunden haben.

