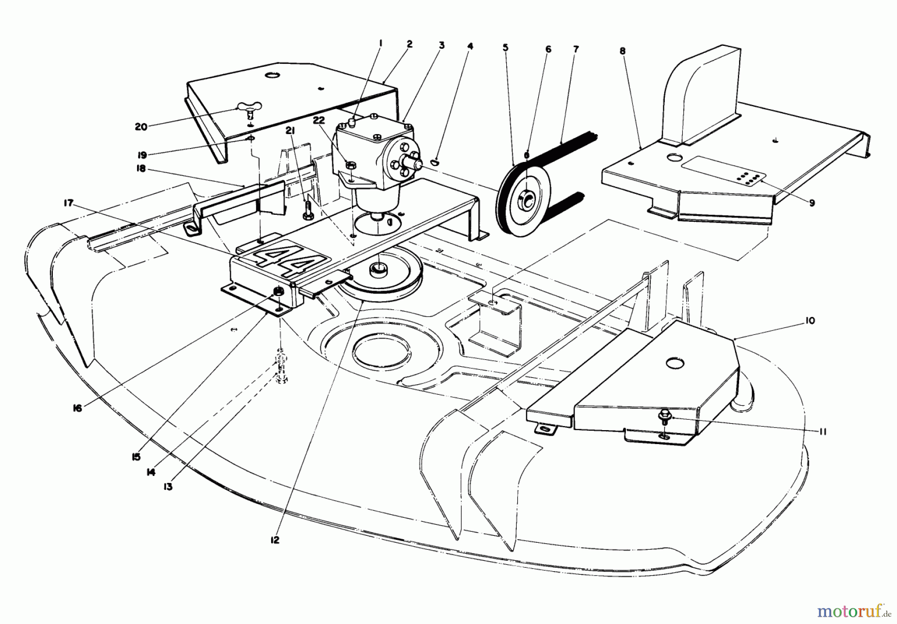
Toro 30544 (120) - 44" Side Discharge Mower, Groundsmaster 120, 1988 (800001-899999) CUTTING UNIT MODEL NO. 30544 #2 Ersatzteile
CUTTING UNIT MODEL NO. 30544 #2 30544 (120) - Toro 44" Side Discharge Mower, Groundsmaster 120, 1988 (800001-899999)

Hier finden Sie die Ersatzteilzeichnung für Toro Neu Mowers, Deck Assembly Only 30544 (120) - Toro 44" Side Discharge Mower, Groundsmaster 120, 1988 (800001-899999) CUTTING UNIT MODEL NO. 30544 #2. Wählen Sie das benötigte Ersatzteil aus der Ersatzteilliste Ihres Toro Gerätes aus und bestellen Sie einfach online. Viele Toro Ersatzteile halten wir ständig in unserem Lager für Sie bereit.



