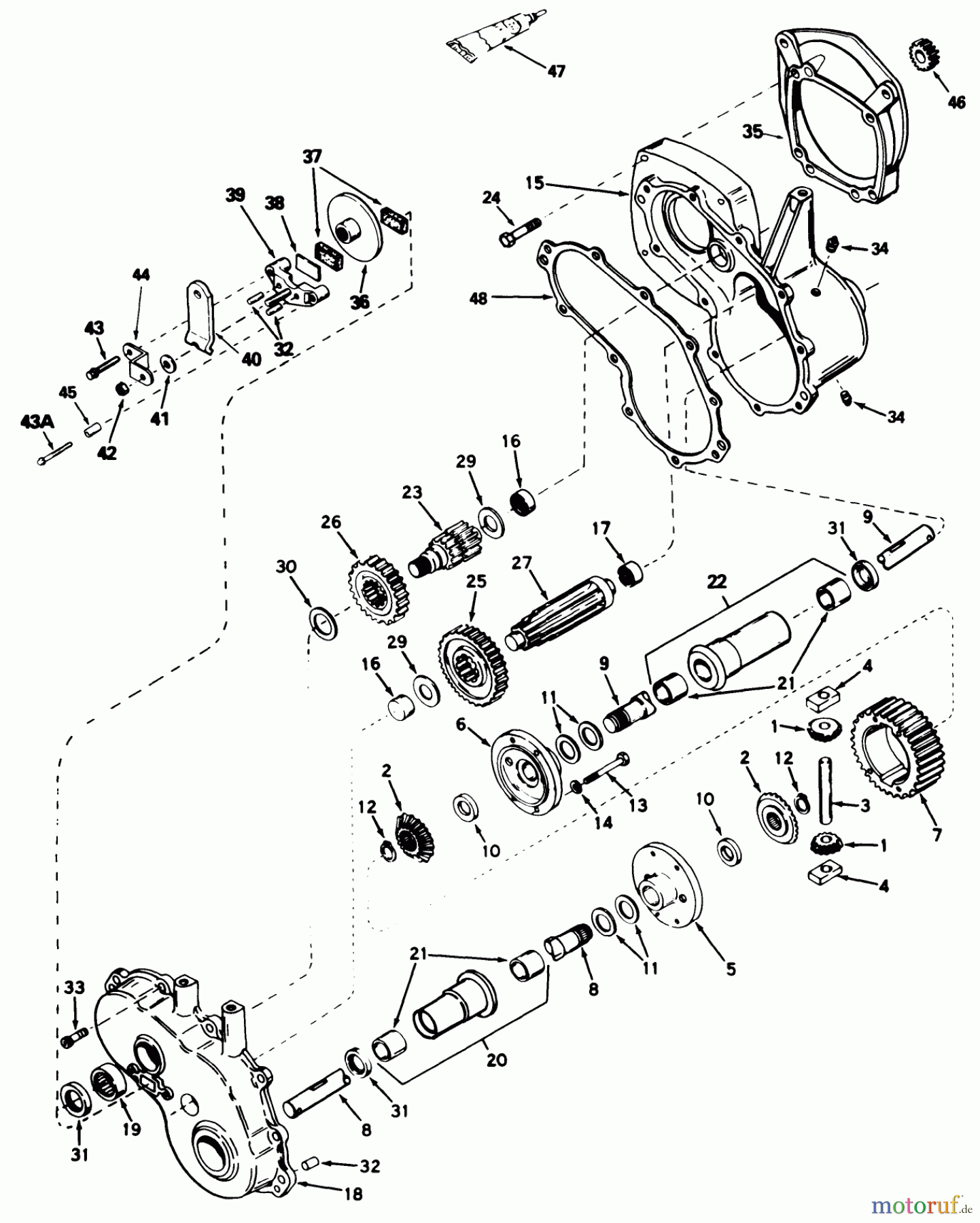
Toro 30544 (117/120) - 44" Side Discharge Mower, Groundsmaster 117/120, 1992 (200001-299999) GEAR REDUCTION & DIFFERENTIAL NO. 1310-001A Ersatzteile
GEAR REDUCTION & DIFFERENTIAL NO. 1310-001A 30544 (117/120) - Toro 44" Side Discharge Mower, Groundsmaster 117/120, 1992 (200001-299999)

Hier finden Sie die Ersatzteilzeichnung für Toro Neu Mowers, Deck Assembly Only 30544 (117/120) - Toro 44" Side Discharge Mower, Groundsmaster 117/120, 1992 (200001-299999) GEAR REDUCTION & DIFFERENTIAL NO. 1310-001A. Wählen Sie das benötigte Ersatzteil aus der Ersatzteilliste Ihres Toro Gerätes aus und bestellen Sie einfach online. Viele Toro Ersatzteile halten wir ständig in unserem Lager für Sie bereit.




