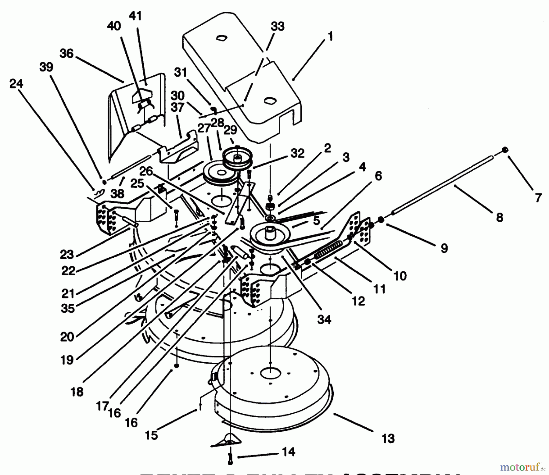
Toro 30137 - 37" Recycler Mower, 1993 (390001-399999) COVER & PULLEY ASSEMBLY Ersatzteile
COVER & PULLEY ASSEMBLY 30137 - Toro 37" Recycler Mower, 1993 (390001-399999)

Hier finden Sie die Ersatzteilzeichnung für Toro Neu Mowers, Deck Assembly Only 30137 - Toro 37" Recycler Mower, 1993 (390001-399999) COVER & PULLEY ASSEMBLY. Wählen Sie das benötigte Ersatzteil aus der Ersatzteilliste Ihres Toro Gerätes aus und bestellen Sie einfach online. Viele Toro Ersatzteile halten wir ständig in unserem Lager für Sie bereit.


Qualitätsmanagement
Informieren Sie uns, wenn Sie einen Fehler gefunden haben.




