Toro 05-37SL01 - 37" Side Discharge Mower, 1986 SIDE DISCHARGE MOWER-37 IN. (94 CM)(VEHICLE IDENTIFICATION NUMBER 05-37SL01) #2 Ersatzteile
SIDE DISCHARGE MOWER-37 IN. (94 CM)(VEHICLE IDENTIFICATION NUMBER 05-37SL01) #2 05-37SL01 - Toro 37" Side Discharge Mower, 1986

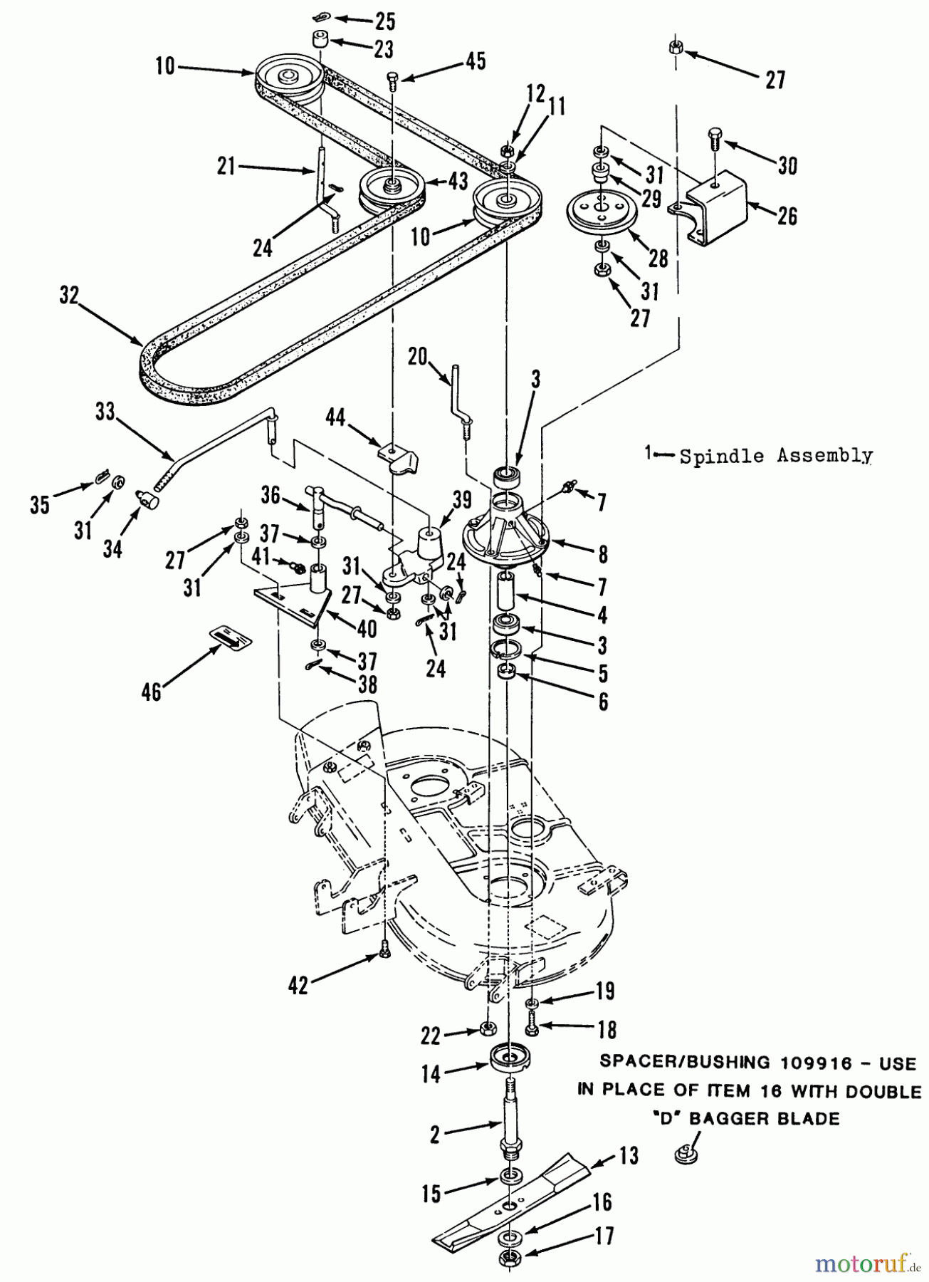
Hier finden Sie die Ersatzteilzeichnung für Toro Neu Mowers, Deck Assembly Only 05-37SL01 - Toro 37" Side Discharge Mower, 1986 SIDE DISCHARGE MOWER-37 IN. (94 CM)(VEHICLE IDENTIFICATION NUMBER 05-37SL01) #2. Wählen Sie das benötigte Ersatzteil aus der Ersatzteilliste Ihres Toro Gerätes aus und bestellen Sie einfach online. Viele Toro Ersatzteile halten wir ständig in unserem Lager für Sie bereit.






