Einstellungen Computer

Toro 05-37SL01 - 37" Side Discharge Mower, 1986 SIDE DISCHARGE MOWER-37 IN. (94 CM)(VEHICLE IDENTIFICATION NUMBER 05-37SL01) #1 Ersatzteile

SIDE DISCHARGE MOWER-37 IN. (94 CM)(VEHICLE IDENTIFICATION NUMBER 05-37SL01) #1 05-37SL01 - Toro 37" Side Discharge Mower, 1986

 Toro Neu Mowers, Deck Assembly Only 05-37SL01 - Toro 37

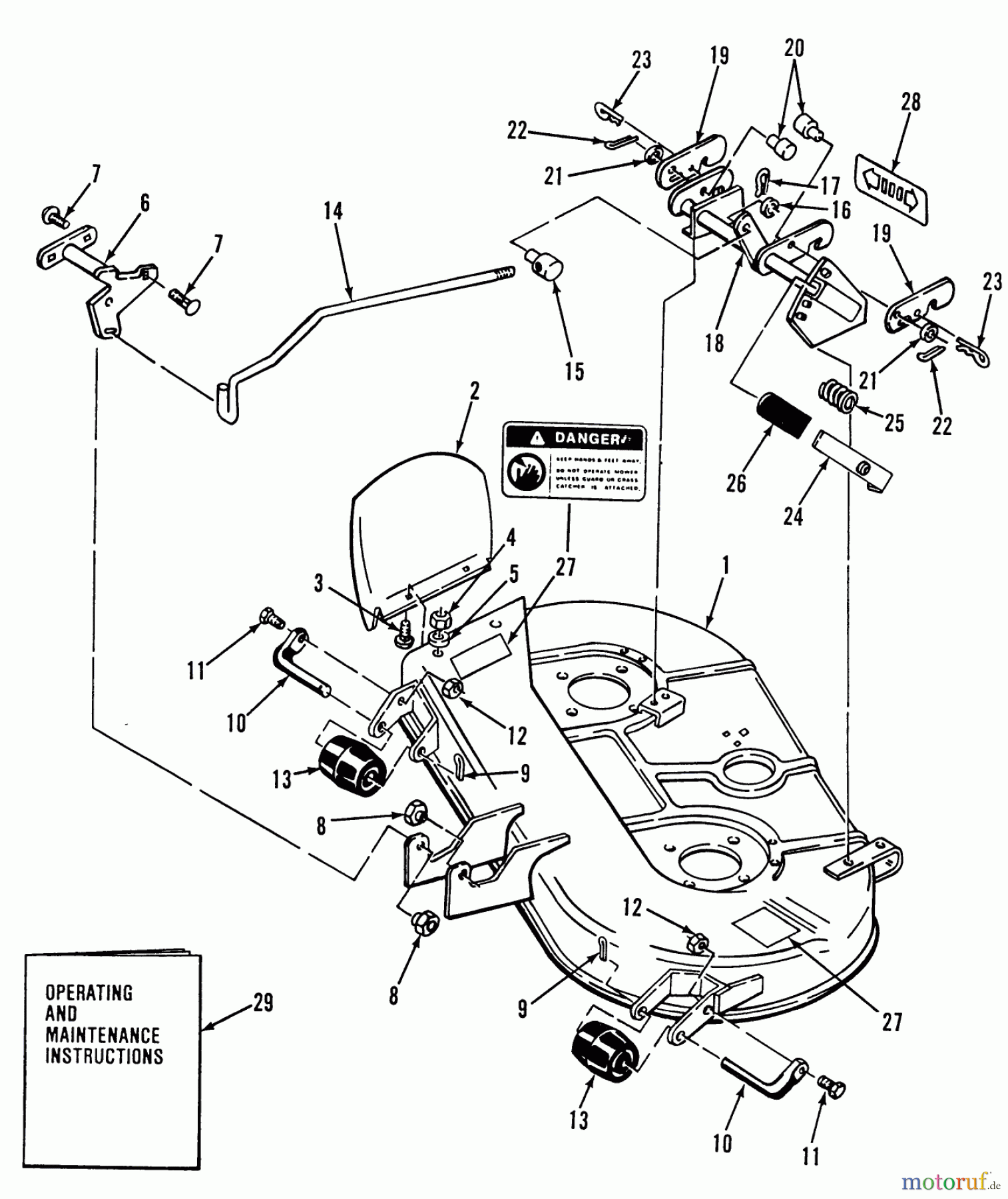
Hier finden Sie die Ersatzteilzeichnung für Toro Neu Mowers, Deck Assembly Only 05-37SL01 - Toro 37" Side Discharge Mower, 1986 SIDE DISCHARGE MOWER-37 IN. (94 CM)(VEHICLE IDENTIFICATION NUMBER 05-37SL01) #1. Wählen Sie das benötigte Ersatzteil aus der Ersatzteilliste Ihres Toro Gerätes aus und bestellen Sie einfach online. Viele Toro Ersatzteile halten wir ständig in unserem Lager für Sie bereit.

Rasen
Bankeinzug, MasterCard, Visa, American Express, PayPal, Nachnahme, Vorauskasse, Sofortüberweisung
Datenschutzerklärung Impressum
Qualitätsmanagement
Informieren Sie uns, wenn Sie einen Fehler gefunden haben.