Toro 05-36XR01 - 36" Rear Discharge Mower, 1981 REAR AND SIDE DISCHARGE MOWERS-36 & 42 IN. (92 & 107 CM) VEHICLE IDENTIFICATION NUMBER 05-36XR01,05-36XS01,05 Ersatzteile
REAR AND SIDE DISCHARGE MOWERS-36 & 42 IN. (92 & 107 CM) VEHICLE IDENTIFICATION NUMBER 05-36XR01,05-36XS01,05 05-36XR01 - Toro 36" Rear Discharge Mower, 1981

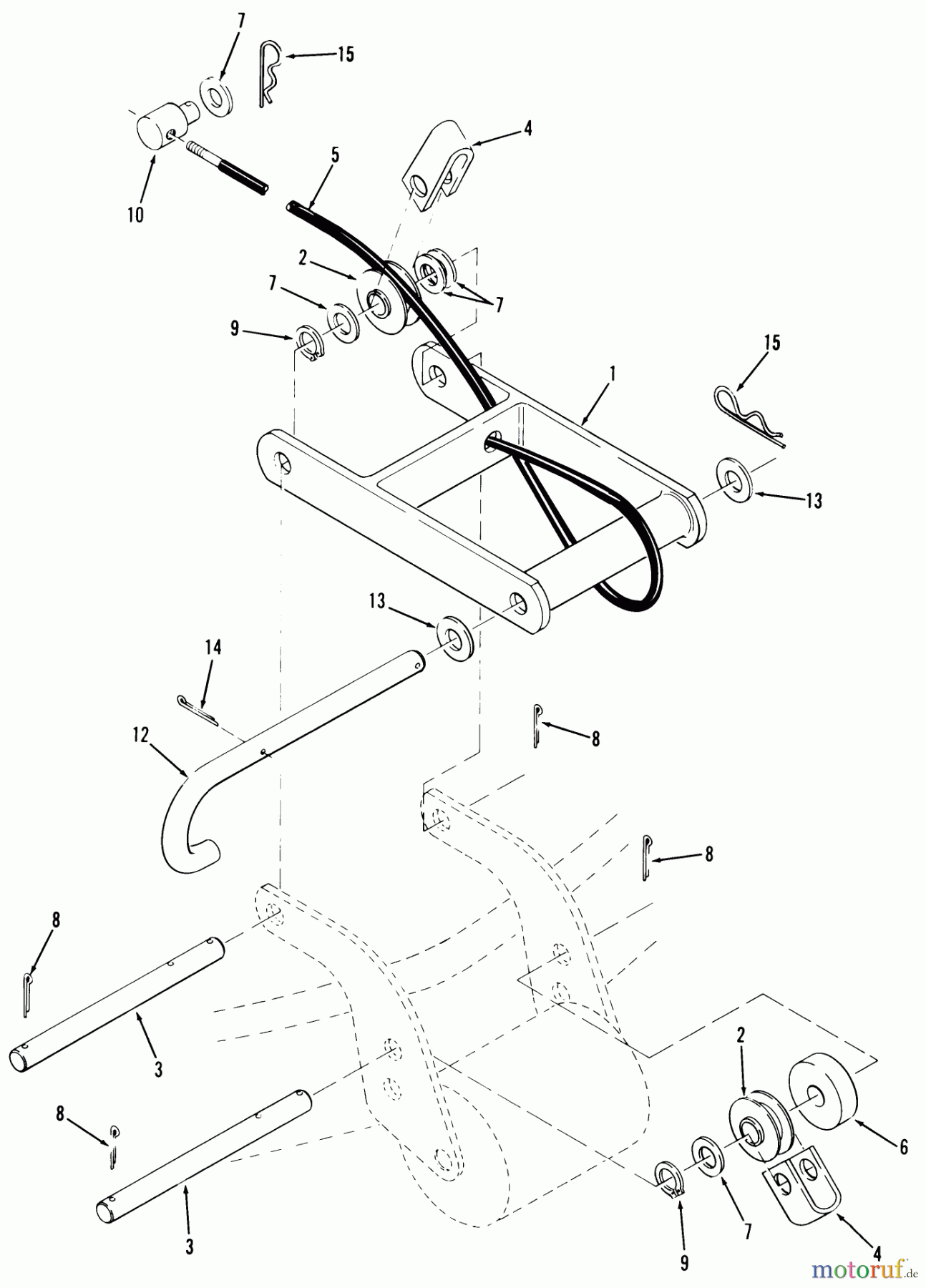
Hier finden Sie die Ersatzteilzeichnung für Toro Neu Mowers, Deck Assembly Only 05-36XR01 - Toro 36" Rear Discharge Mower, 1981 REAR AND SIDE DISCHARGE MOWERS-36 & 42 IN. (92 & 107 CM) VEHICLE IDENTIFICATION NUMBER 05-36XR01,05-36XS01,05. Wählen Sie das benötigte Ersatzteil aus der Ersatzteilliste Ihres Toro Gerätes aus und bestellen Sie einfach online. Viele Toro Ersatzteile halten wir ständig in unserem Lager für Sie bereit.




