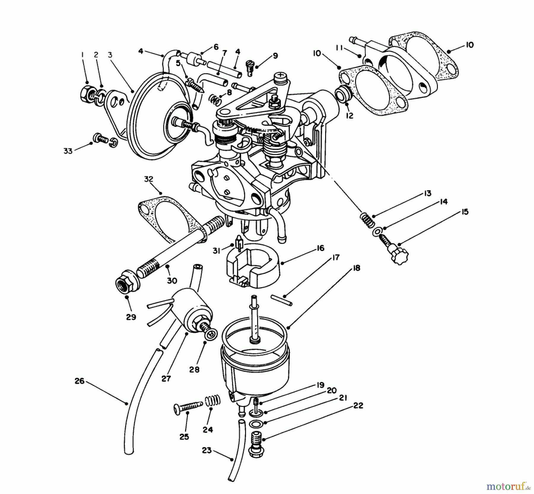
Toro 62040 (T4000D) - Generator, T4000D, 1988 (8000001-8999999) CARBURETOR ASSEMBLY Ersatzteile
CARBURETOR ASSEMBLY 62040 (T4000D) - Toro Generator, T4000D, 1988 (8000001-8999999)

Hier finden Sie die Ersatzteilzeichnung für Toro Neu Generators 62040 (T4000D) - Toro Generator, T4000D, 1988 (8000001-8999999) CARBURETOR ASSEMBLY. Wählen Sie das benötigte Ersatzteil aus der Ersatzteilliste Ihres Toro Gerätes aus und bestellen Sie einfach online. Viele Toro Ersatzteile halten wir ständig in unserem Lager für Sie bereit.




