Toro 62025 (T2500) - Generator, T2500, 1987 (7000001-7999999) REWIND STARTER & MAGNETO ASSEMBLY Ersatzteile
REWIND STARTER & MAGNETO ASSEMBLY 62025 (T2500) - Toro Generator, T2500, 1987 (7000001-7999999)

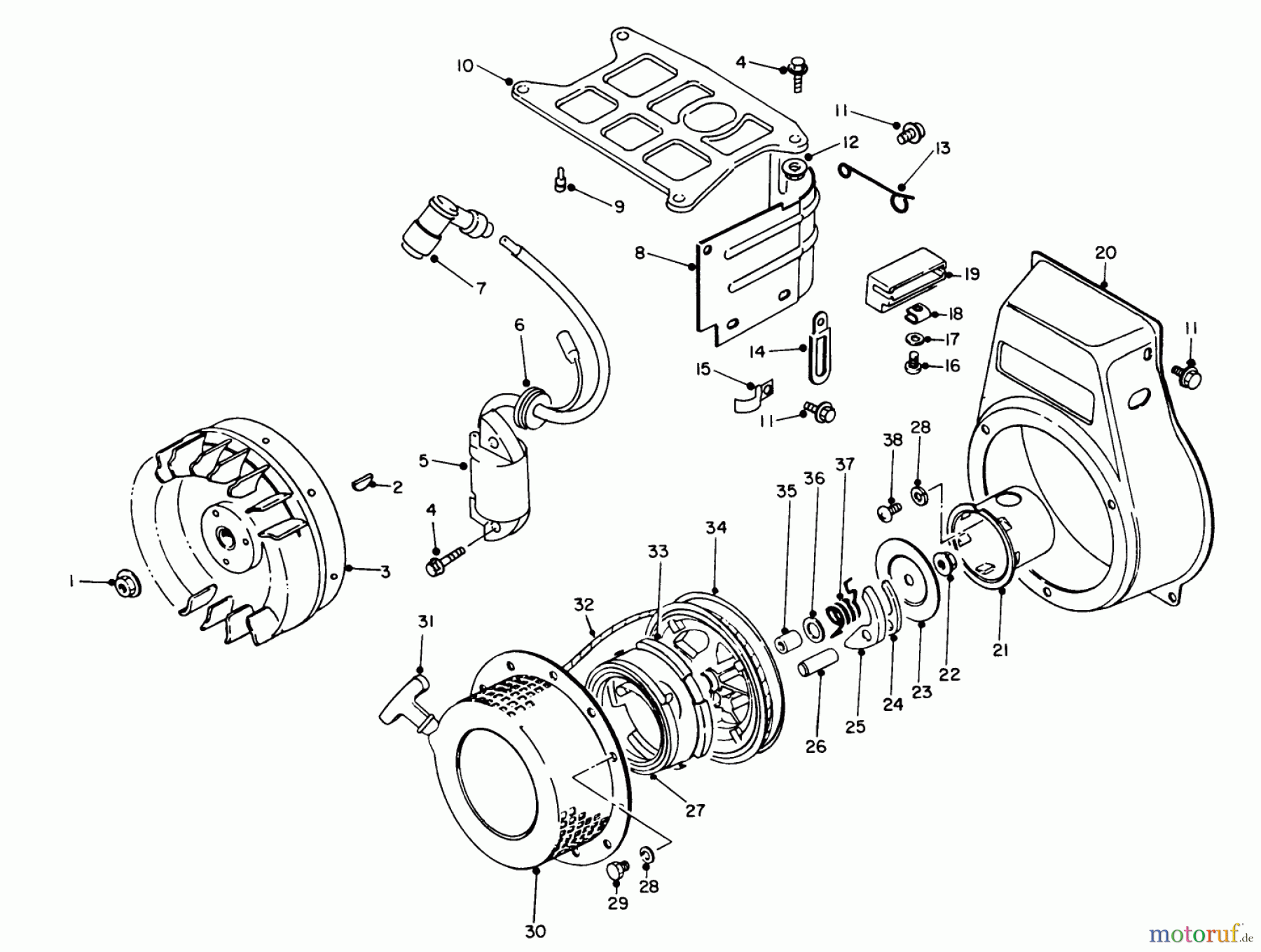
Hier finden Sie die Ersatzteilzeichnung für Toro Neu Generators 62025 (T2500) - Toro Generator, T2500, 1987 (7000001-7999999) REWIND STARTER & MAGNETO ASSEMBLY. Wählen Sie das benötigte Ersatzteil aus der Ersatzteilliste Ihres Toro Gerätes aus und bestellen Sie einfach online. Viele Toro Ersatzteile halten wir ständig in unserem Lager für Sie bereit.


Qualitätsmanagement
Informieren Sie uns, wenn Sie einen Fehler gefunden haben.

