Toro 62018 (T1800) - Generator, T1800, 1988 (8000001-8999999) CRANKSHAFT & CAM SHAFT ASSEMBLY Ersatzteile
CRANKSHAFT & CAM SHAFT ASSEMBLY 62018 (T1800) - Toro Generator, T1800, 1988 (8000001-8999999)

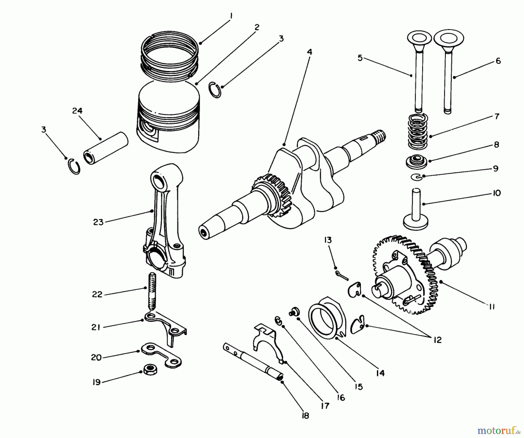
Hier finden Sie die Ersatzteilzeichnung für Toro Neu Generators 62018 (T1800) - Toro Generator, T1800, 1988 (8000001-8999999) CRANKSHAFT & CAM SHAFT ASSEMBLY. Wählen Sie das benötigte Ersatzteil aus der Ersatzteilliste Ihres Toro Gerätes aus und bestellen Sie einfach online. Viele Toro Ersatzteile halten wir ständig in unserem Lager für Sie bereit.


Qualitätsmanagement
Informieren Sie uns, wenn Sie einen Fehler gefunden haben.

