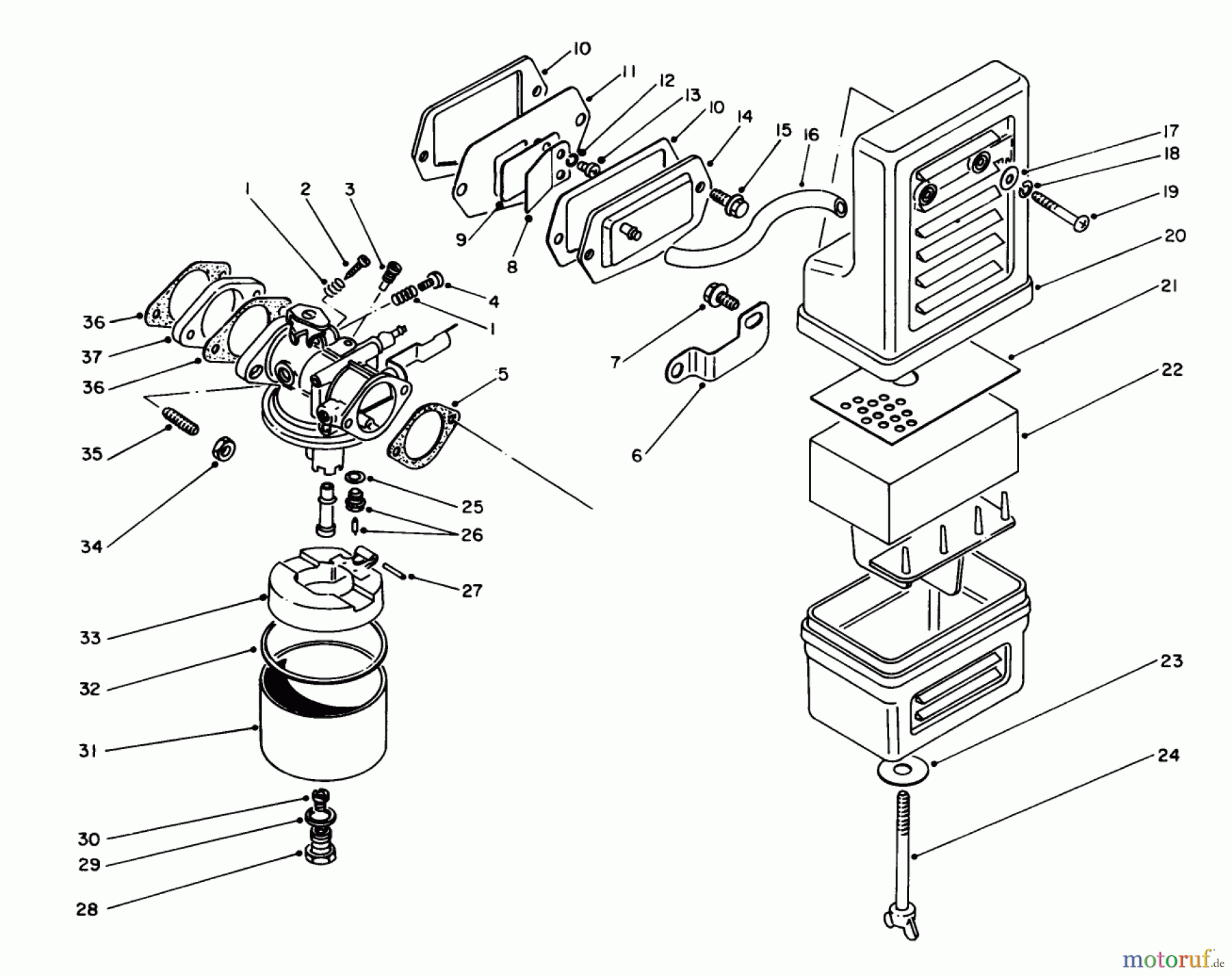
Toro 62018 (T1800) - Generator, T1800, 1988 (8000001-8999999) AIR CLEANER & CARBURETOR ASSEMBLY Ersatzteile
AIR CLEANER & CARBURETOR ASSEMBLY 62018 (T1800) - Toro Generator, T1800, 1988 (8000001-8999999)

Hier finden Sie die Ersatzteilzeichnung für Toro Neu Generators 62018 (T1800) - Toro Generator, T1800, 1988 (8000001-8999999) AIR CLEANER & CARBURETOR ASSEMBLY. Wählen Sie das benötigte Ersatzteil aus der Ersatzteilliste Ihres Toro Gerätes aus und bestellen Sie einfach online. Viele Toro Ersatzteile halten wir ständig in unserem Lager für Sie bereit.


Qualitätsmanagement
Informieren Sie uns, wenn Sie einen Fehler gefunden haben.

