Toro 62018 (T1800) - Generator, T1800, 1983 (3000001-3999999) ENGINE ASSEMBLY Ersatzteile
ENGINE ASSEMBLY 62018 (T1800) - Toro Generator, T1800, 1983 (3000001-3999999)

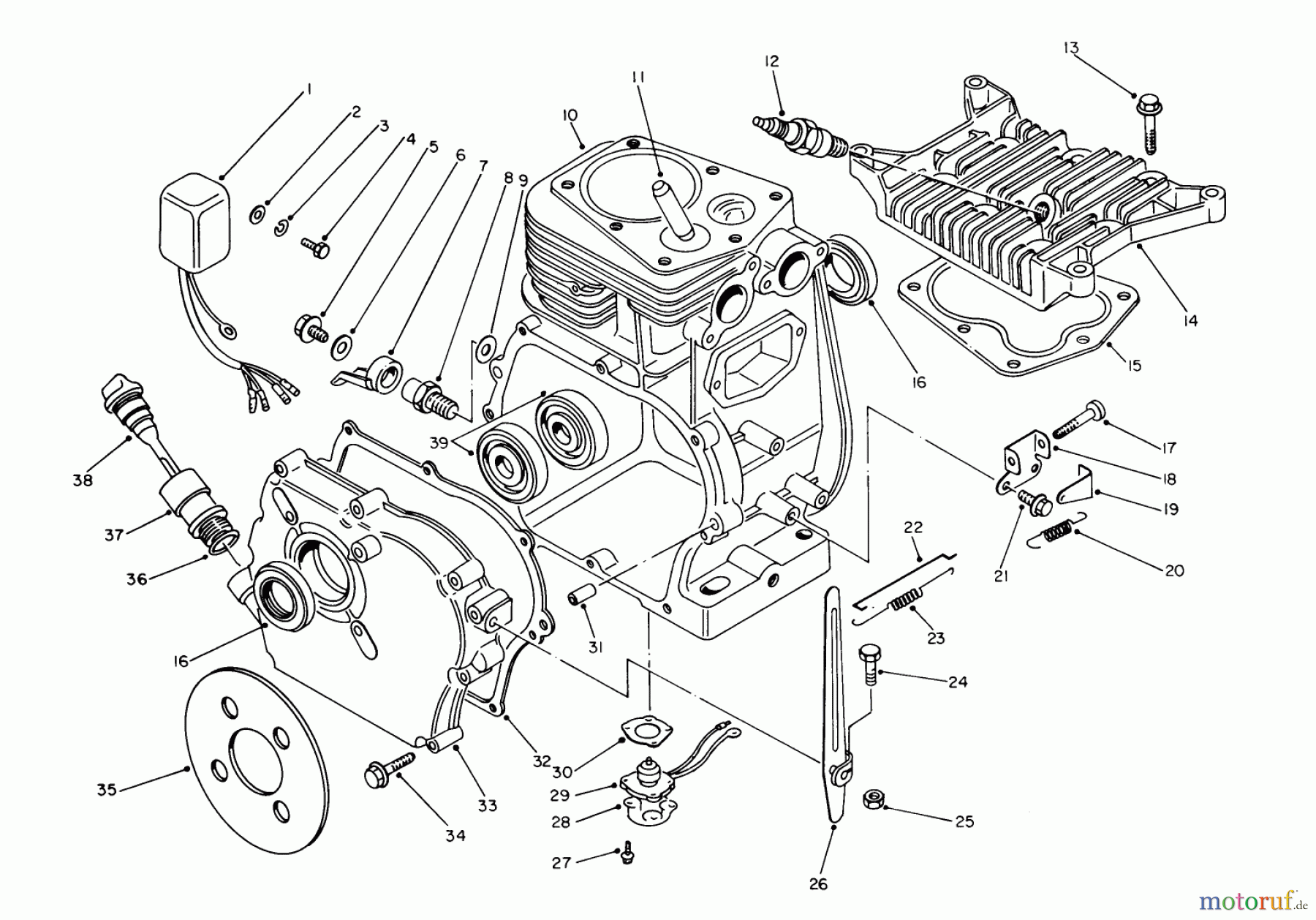
Hier finden Sie die Ersatzteilzeichnung für Toro Neu Generators 62018 (T1800) - Toro Generator, T1800, 1983 (3000001-3999999) ENGINE ASSEMBLY. Wählen Sie das benötigte Ersatzteil aus der Ersatzteilliste Ihres Toro Gerätes aus und bestellen Sie einfach online. Viele Toro Ersatzteile halten wir ständig in unserem Lager für Sie bereit.




