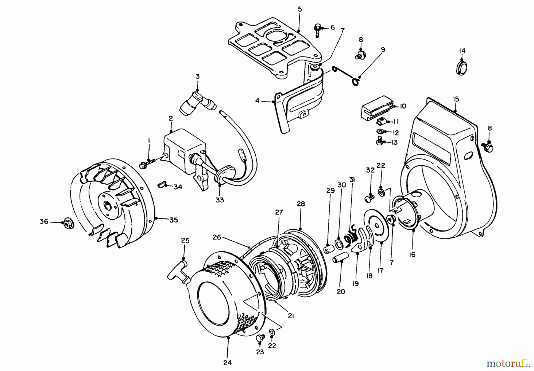
Toro 62012 (T1200) - Generator, T1200, 1988 (8000001-8999999) RECOIL STARTER-MAGNETO Ersatzteile
RECOIL STARTER-MAGNETO 62012 (T1200) - Toro Generator, T1200, 1988 (8000001-8999999)

Hier finden Sie die Ersatzteilzeichnung für Toro Neu Generators 62012 (T1200) - Toro Generator, T1200, 1988 (8000001-8999999) RECOIL STARTER-MAGNETO. Wählen Sie das benötigte Ersatzteil aus der Ersatzteilliste Ihres Toro Gerätes aus und bestellen Sie einfach online. Viele Toro Ersatzteile halten wir ständig in unserem Lager für Sie bereit.


Qualitätsmanagement
Informieren Sie uns, wenn Sie einen Fehler gefunden haben.

