Toro 62008 (T800) - Generator, T800, 1988 (8000001-8999999) CRANK SHAFT & CAM SHAFT Ersatzteile
CRANK SHAFT & CAM SHAFT 62008 (T800) - Toro Generator, T800, 1988 (8000001-8999999)

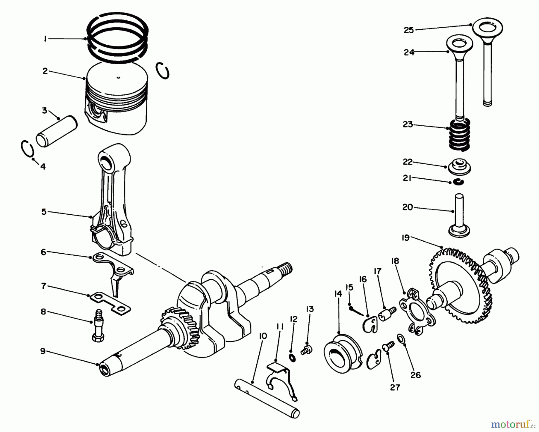
Hier finden Sie die Ersatzteilzeichnung für Toro Neu Generators 62008 (T800) - Toro Generator, T800, 1988 (8000001-8999999) CRANK SHAFT & CAM SHAFT. Wählen Sie das benötigte Ersatzteil aus der Ersatzteilliste Ihres Toro Gerätes aus und bestellen Sie einfach online. Viele Toro Ersatzteile halten wir ständig in unserem Lager für Sie bereit.


Qualitätsmanagement
Informieren Sie uns, wenn Sie einen Fehler gefunden haben.

