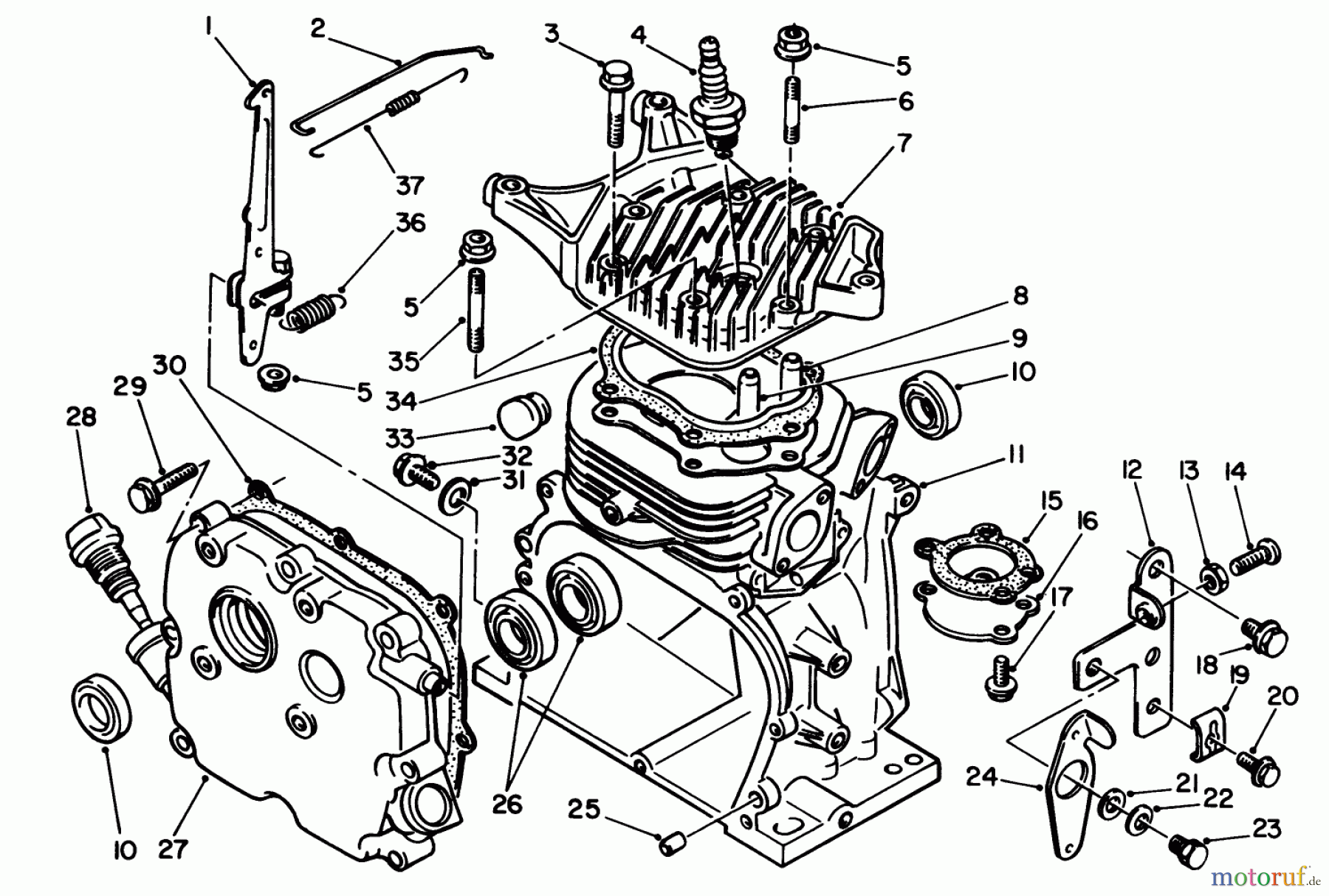
Toro 59265 - Replacement Engine, 4-Cycle, 1984 (4000001-4999999) CRANKCASE ASSEMBLY Ersatzteile
CRANKCASE ASSEMBLY 59265 - Toro Replacement Engine, 4-Cycle, 1984 (4000001-4999999)

Hier finden Sie die Ersatzteilzeichnung für Toro Neu Engines 59265 - Toro Replacement Engine, 4-Cycle, 1984 (4000001-4999999) CRANKCASE ASSEMBLY. Wählen Sie das benötigte Ersatzteil aus der Ersatzteilliste Ihres Toro Gerätes aus und bestellen Sie einfach online. Viele Toro Ersatzteile halten wir ständig in unserem Lager für Sie bereit.



