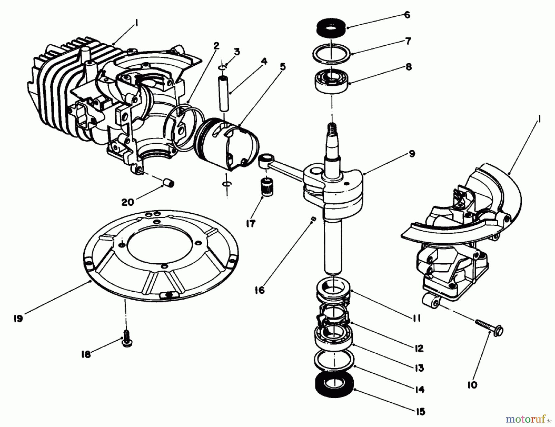
Toro 59260 - Replacement Engine, 2-Cycle, 1985 (500001-599999) SHORT BLOCK ASSEMBLY Ersatzteile
SHORT BLOCK ASSEMBLY 59260 - Toro Replacement Engine, 2-Cycle, 1985 (500001-599999)

Hier finden Sie die Ersatzteilzeichnung für Toro Neu Engines 59260 - Toro Replacement Engine, 2-Cycle, 1985 (500001-599999) SHORT BLOCK ASSEMBLY. Wählen Sie das benötigte Ersatzteil aus der Ersatzteilliste Ihres Toro Gerätes aus und bestellen Sie einfach online. Viele Toro Ersatzteile halten wir ständig in unserem Lager für Sie bereit.



