Toro 59255 - Replacement Engine, 2-Cycle (Zone Start), 1984 (4000001-4999999) FLYWHEEL & MAGNETO ASSEMBLY Ersatzteile
FLYWHEEL & MAGNETO ASSEMBLY 59255 - Toro Replacement Engine, 2-Cycle (Zone Start), 1984 (4000001-4999999)

Hier finden Sie die Ersatzteilzeichnung für Toro Neu Engines 59255 - Toro Replacement Engine, 2-Cycle (Zone Start), 1984 (4000001-4999999) FLYWHEEL & MAGNETO ASSEMBLY. Wählen Sie das benötigte Ersatzteil aus der Ersatzteilliste Ihres Toro Gerätes aus und bestellen Sie einfach online. Viele Toro Ersatzteile halten wir ständig in unserem Lager für Sie bereit.
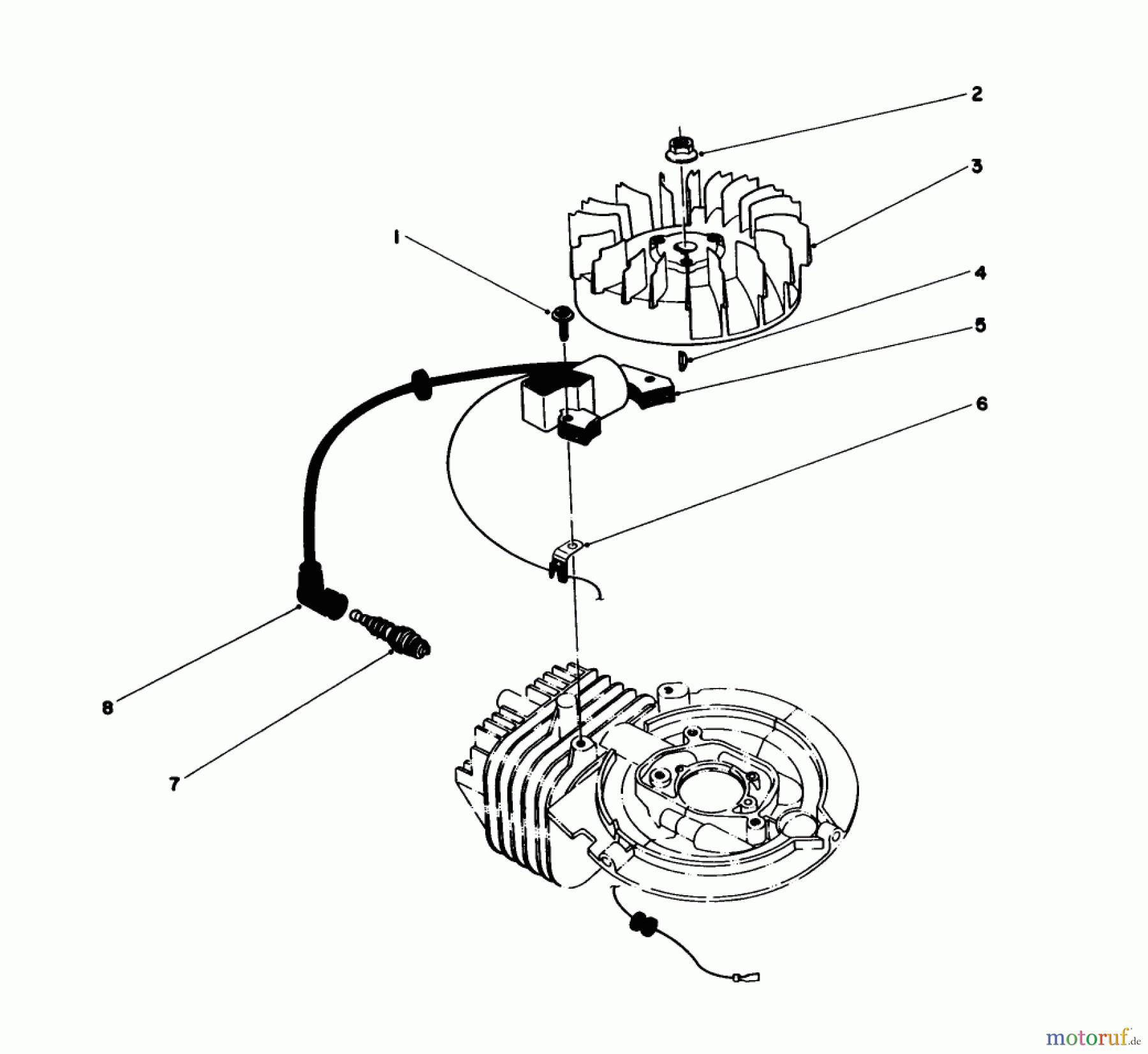
| BildNr | Artikel Nummer | Bezeichnung | |
| 1 | TR81-5680 | SCREW | |
| 2 | TR81-1330 | Mutter | |
| 3 | TR81-1980 | Schwungrad | |
| 4 | TR81-2370 | Keil | |
| 5 | TR17-1529 | Zuendanlage | |
| 6 | TR81-1480 | Klemme | |
| 7 | TR50-1170 | Zuendkerze | |
| 8 | TR81-1500 | Zuendkerzenstecker | |
| TR41-7650 | Schwungradabzieher Toro | ||


Qualitätsmanagement
Informieren Sie uns, wenn Sie einen Fehler gefunden haben.

