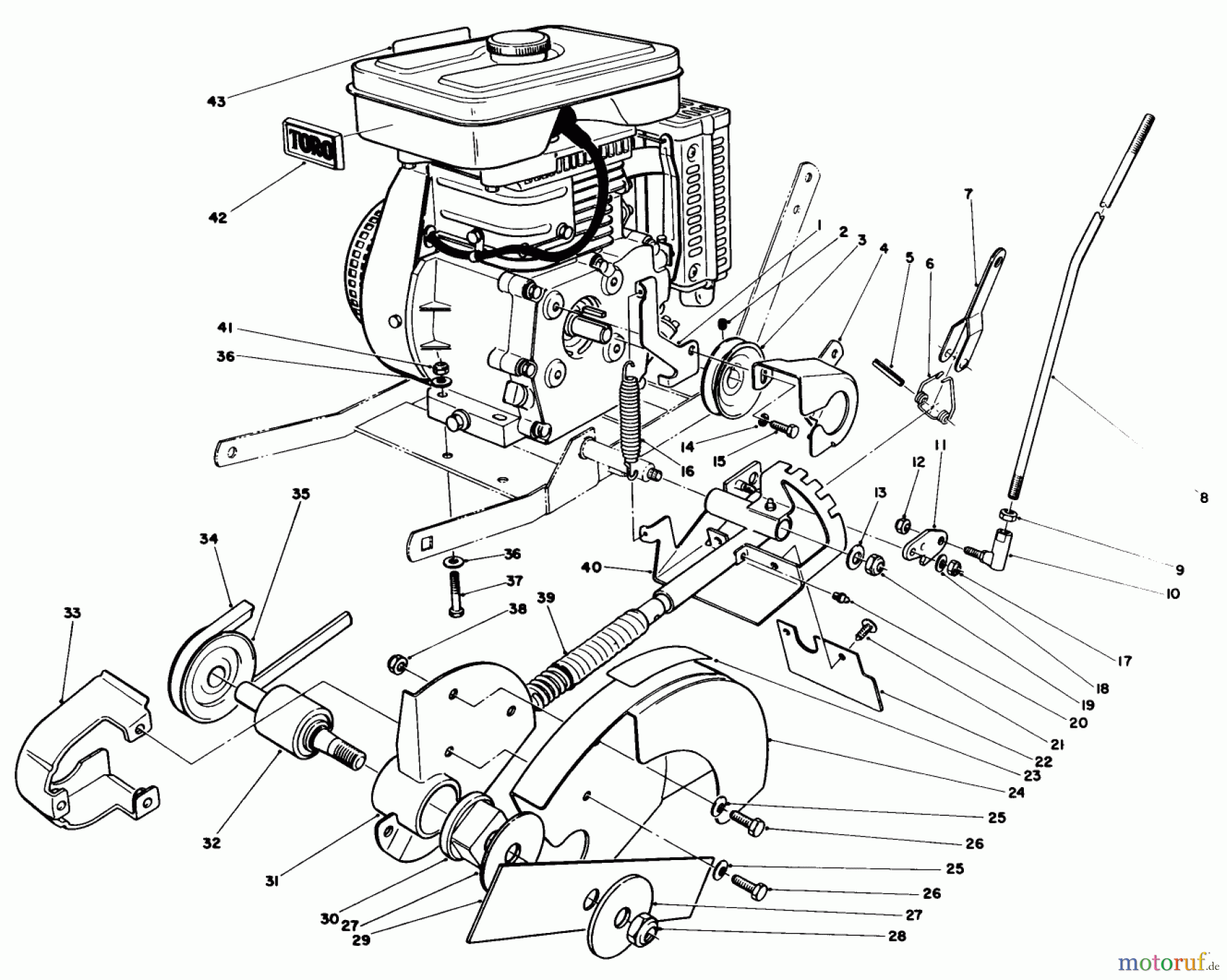
Toro 58435 - 3.5 hp Edger, 1985 (5000001-5999999) ENGINE & BLADE ASSEMBLY Ersatzteile
ENGINE & BLADE ASSEMBLY 58435 - Toro 3.5 hp Edger, 1985 (5000001-5999999)

Hier finden Sie die Ersatzteilzeichnung für Toro Neu Edgers 58435 - Toro 3.5 hp Edger, 1985 (5000001-5999999) ENGINE & BLADE ASSEMBLY. Wählen Sie das benötigte Ersatzteil aus der Ersatzteilliste Ihres Toro Gerätes aus und bestellen Sie einfach online. Viele Toro Ersatzteile halten wir ständig in unserem Lager für Sie bereit.


Qualitätsmanagement
Informieren Sie uns, wenn Sie einen Fehler gefunden haben.





