Toro 58432 - 2-Cycle Edger, 1989 (9000001-9999999) CARBURETOR TECUMSEH NO. 632515 Ersatzteile
CARBURETOR TECUMSEH NO. 632515 58432 - Toro 2-Cycle Edger, 1989 (9000001-9999999)

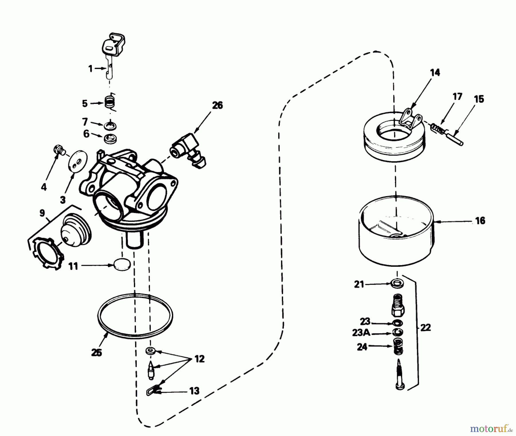
Hier finden Sie die Ersatzteilzeichnung für Toro Neu Edgers 58432 - Toro 2-Cycle Edger, 1989 (9000001-9999999) CARBURETOR TECUMSEH NO. 632515. Wählen Sie das benötigte Ersatzteil aus der Ersatzteilliste Ihres Toro Gerätes aus und bestellen Sie einfach online. Viele Toro Ersatzteile halten wir ständig in unserem Lager für Sie bereit.
| BildNr | Artikel Nummer | Bezeichnung | |
| 1 | TC632523 | SHAFT & LEV | |
| 3 | TC631622 | KLAPPE | |
| 4 | TC650506 | SCHRAUBE | |
| 5 | TC632169 | FEDER | |
| 6 | TC631183 | SCHEIBE | |
| 7 | TC631184 | WASHER | |
| 9 | TC632433A | PRIMER | |
| 11 | TC631027 | WELCH PLUG | |
| 12 | TC631021B | INLET NEEDLE | |
| 13 | TC631022 | KLEMME | |
| 14 | TC632019A | FLOAT | |
| 15 | TC631024 | FLOAT SHAFT | |
| 16 | TC631867 | SCHWIMMERGEHAEUSE | |
| 17 | TC632386 | FEDER | |
| 21 | ![]() | TC27110A | DICHTUNG |
| 22 | TC631583 | POWER SCREW | |
| 23 | TC630740 | O-RING | |
| 23A | TC630739 | WASHER | |
| 24 | TC630738 | FEDER | |
| 25 | TC631028A | DICHTUNG | |
| 26 | TC631807 | FUEL FITTING | |


Qualitätsmanagement
Informieren Sie uns, wenn Sie einen Fehler gefunden haben.


