Toro 58431 - 3.5 hp Edger, 1987 (7000001-7999999) ENGINE BRIGGS & STRATTON MODEL NO. 80332 TYPE NO. 1655-01 #2 Ersatzteile
ENGINE BRIGGS & STRATTON MODEL NO. 80332 TYPE NO. 1655-01 #2 58431 - Toro 3.5 hp Edger, 1987 (7000001-7999999)

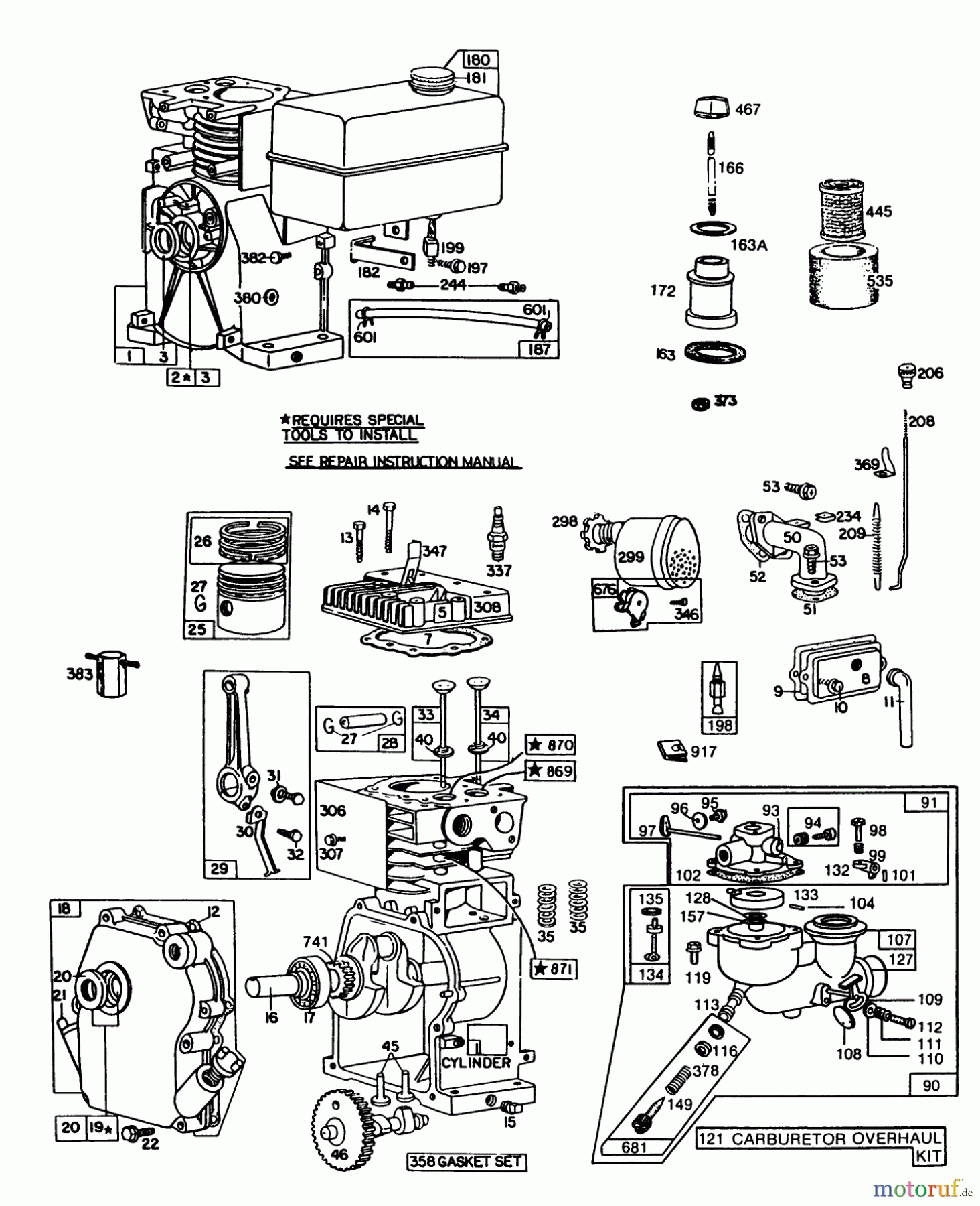
Hier finden Sie die Ersatzteilzeichnung für Toro Neu Edgers 58431 - Toro 3.5 hp Edger, 1987 (7000001-7999999) ENGINE BRIGGS & STRATTON MODEL NO. 80332 TYPE NO. 1655-01 #2. Wählen Sie das benötigte Ersatzteil aus der Ersatzteilliste Ihres Toro Gerätes aus und bestellen Sie einfach online. Viele Toro Ersatzteile halten wir ständig in unserem Lager für Sie bereit.


Qualitätsmanagement
Informieren Sie uns, wenn Sie einen Fehler gefunden haben.



