Toro 53030 - 8" Stick Edger, Curved Shaft (53032), 1997 (79000001-79999999) ENGINE ASSEMBLY Ersatzteile
ENGINE ASSEMBLY 53030 - Toro 8" Stick Edger, Curved Shaft (53032), 1997 (79000001-79999999)

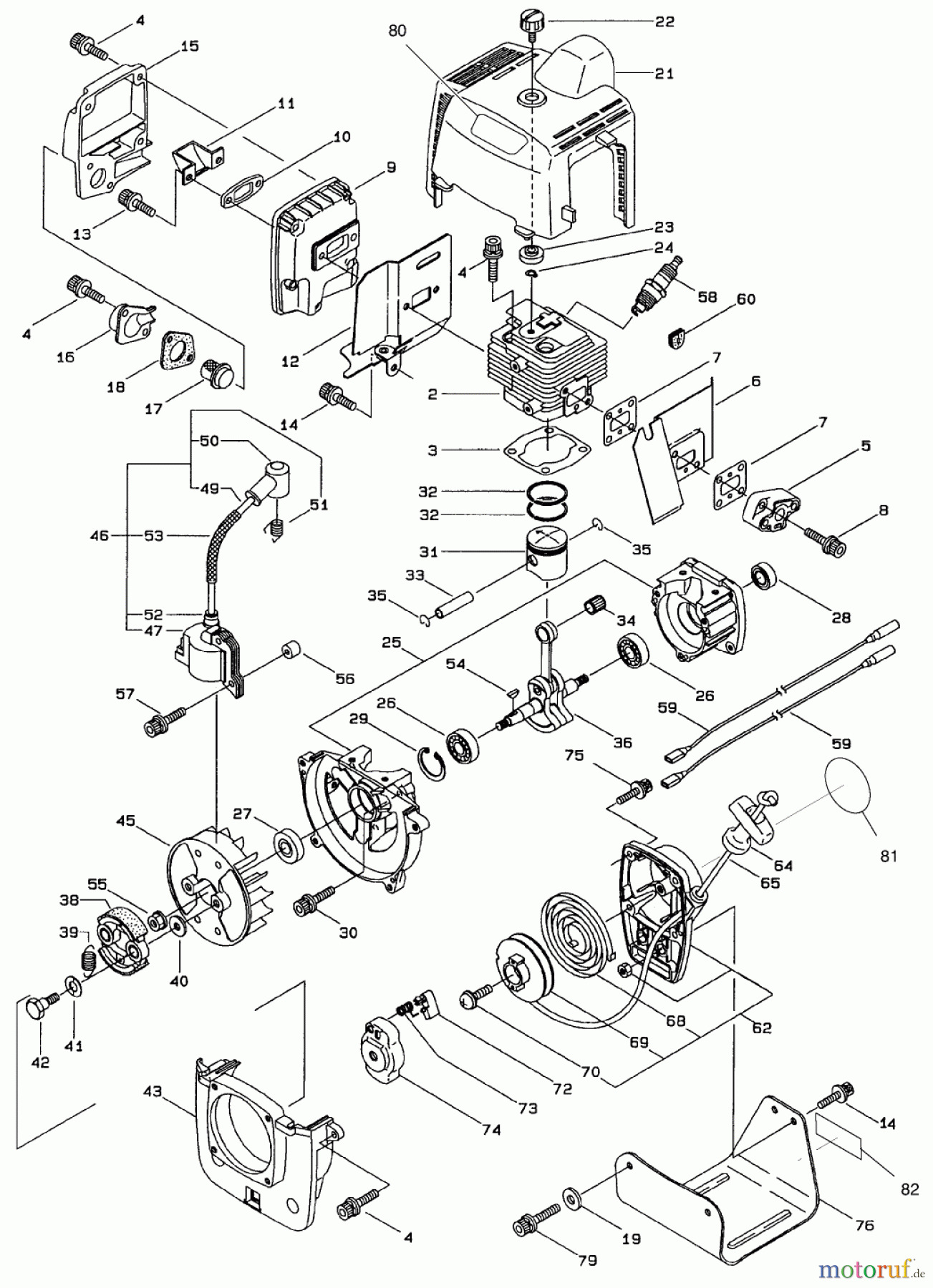
Hier finden Sie die Ersatzteilzeichnung für Toro Neu Edgers 53030 - Toro 8" Stick Edger, Curved Shaft (53032), 1997 (79000001-79999999) ENGINE ASSEMBLY. Wählen Sie das benötigte Ersatzteil aus der Ersatzteilliste Ihres Toro Gerätes aus und bestellen Sie einfach online. Viele Toro Ersatzteile halten wir ständig in unserem Lager für Sie bereit.


Qualitätsmanagement
Informieren Sie uns, wenn Sie einen Fehler gefunden haben.

