Toro 62923 - 5 hp Lawn Vacuum, 1984 (4000001-4999999) ENGINE BRIGGS & STRATTON MODEL NO. 130202-1640-01 #2 Ersatzteile
ENGINE BRIGGS & STRATTON MODEL NO. 130202-1640-01 #2 62923 - Toro 5 hp Lawn Vacuum, 1984 (4000001-4999999)

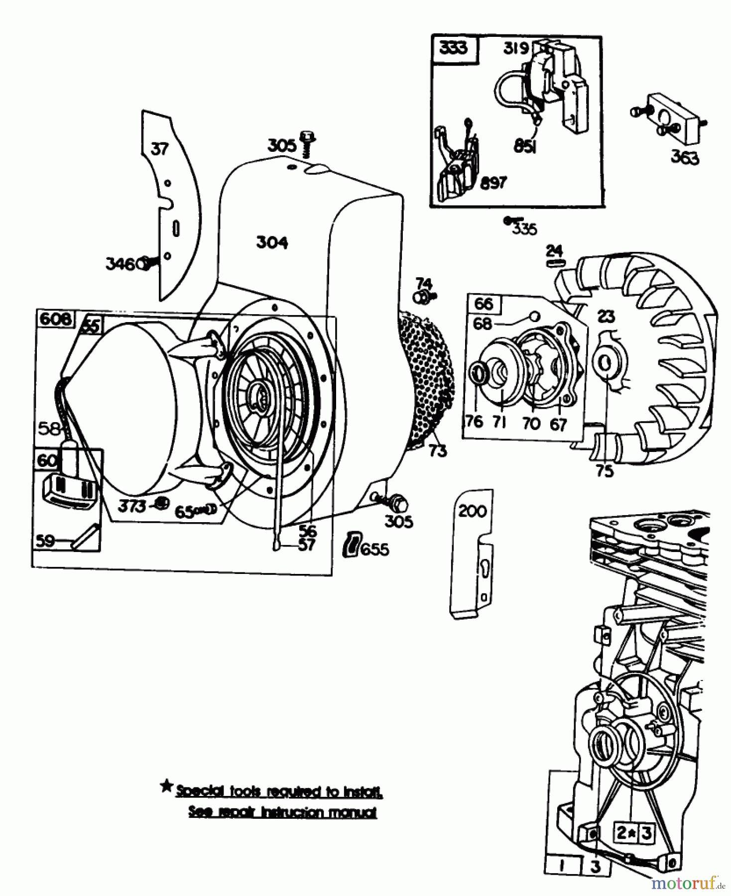
Hier finden Sie die Ersatzteilzeichnung für Toro Neu Blowers/Vacuums/Chippers/Shredders 62923 - Toro 5 hp Lawn Vacuum, 1984 (4000001-4999999) ENGINE BRIGGS & STRATTON MODEL NO. 130202-1640-01 #2. Wählen Sie das benötigte Ersatzteil aus der Ersatzteilliste Ihres Toro Gerätes aus und bestellen Sie einfach online. Viele Toro Ersatzteile halten wir ständig in unserem Lager für Sie bereit.


Qualitätsmanagement
Informieren Sie uns, wenn Sie einen Fehler gefunden haben.





