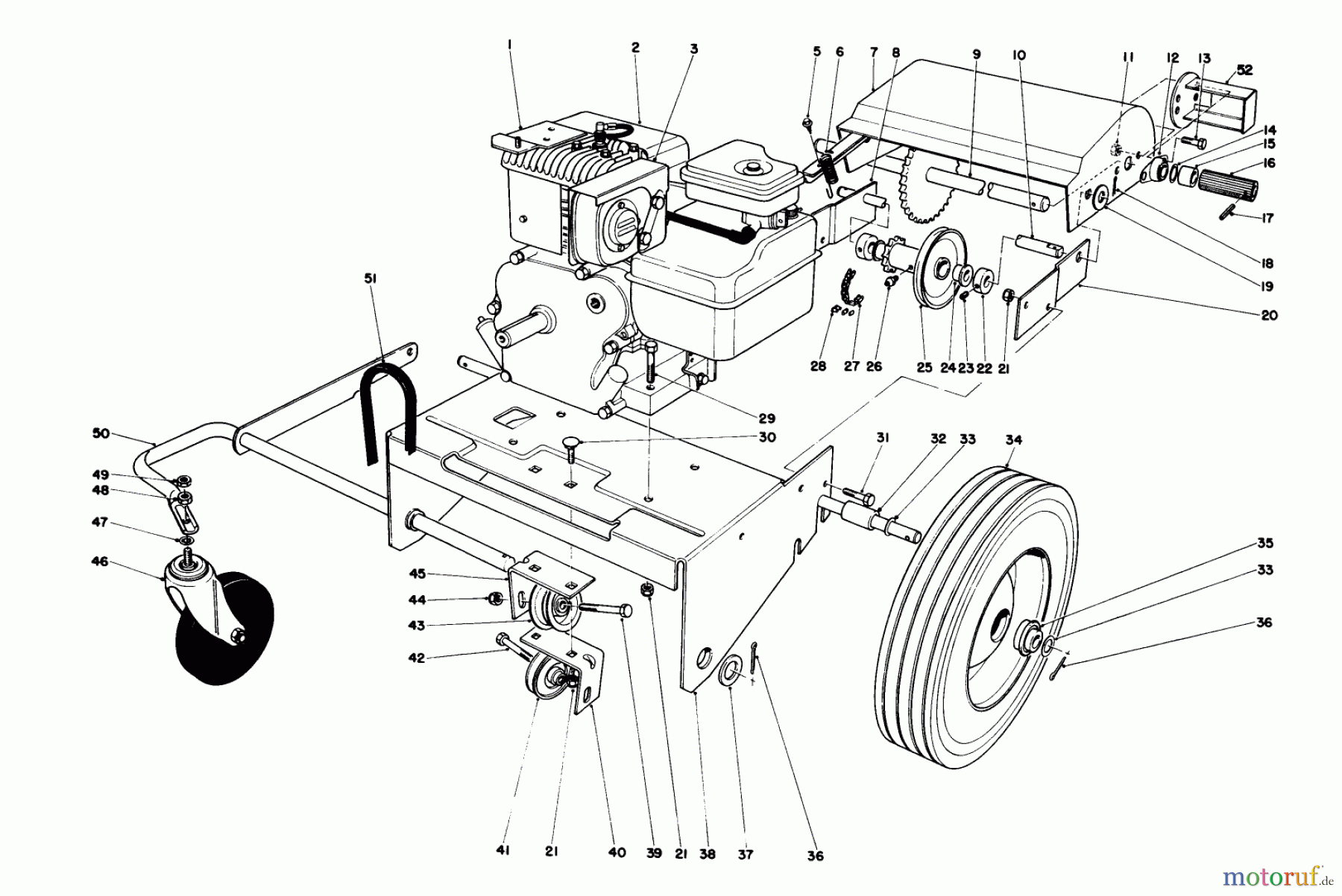
Toro 62923 - 5 hp Lawn Vacuum, 1981 (1000001-1999999) ENGINE AND BASE ASSEMBLY (MODEL 62923) Ersatzteile
ENGINE AND BASE ASSEMBLY (MODEL 62923) 62923 - Toro 5 hp Lawn Vacuum, 1981 (1000001-1999999)

Hier finden Sie die Ersatzteilzeichnung für Toro Neu Blowers/Vacuums/Chippers/Shredders 62923 - Toro 5 hp Lawn Vacuum, 1981 (1000001-1999999) ENGINE AND BASE ASSEMBLY (MODEL 62923). Wählen Sie das benötigte Ersatzteil aus der Ersatzteilliste Ihres Toro Gerätes aus und bestellen Sie einfach online. Viele Toro Ersatzteile halten wir ständig in unserem Lager für Sie bereit.


Qualitätsmanagement
Informieren Sie uns, wenn Sie einen Fehler gefunden haben.



