Toro 62923 - 5 hp Lawn Vacuum, 1981 (1000001-1999999) ENGINE Ersatzteile
ENGINE 62923 - Toro 5 hp Lawn Vacuum, 1981 (1000001-1999999)

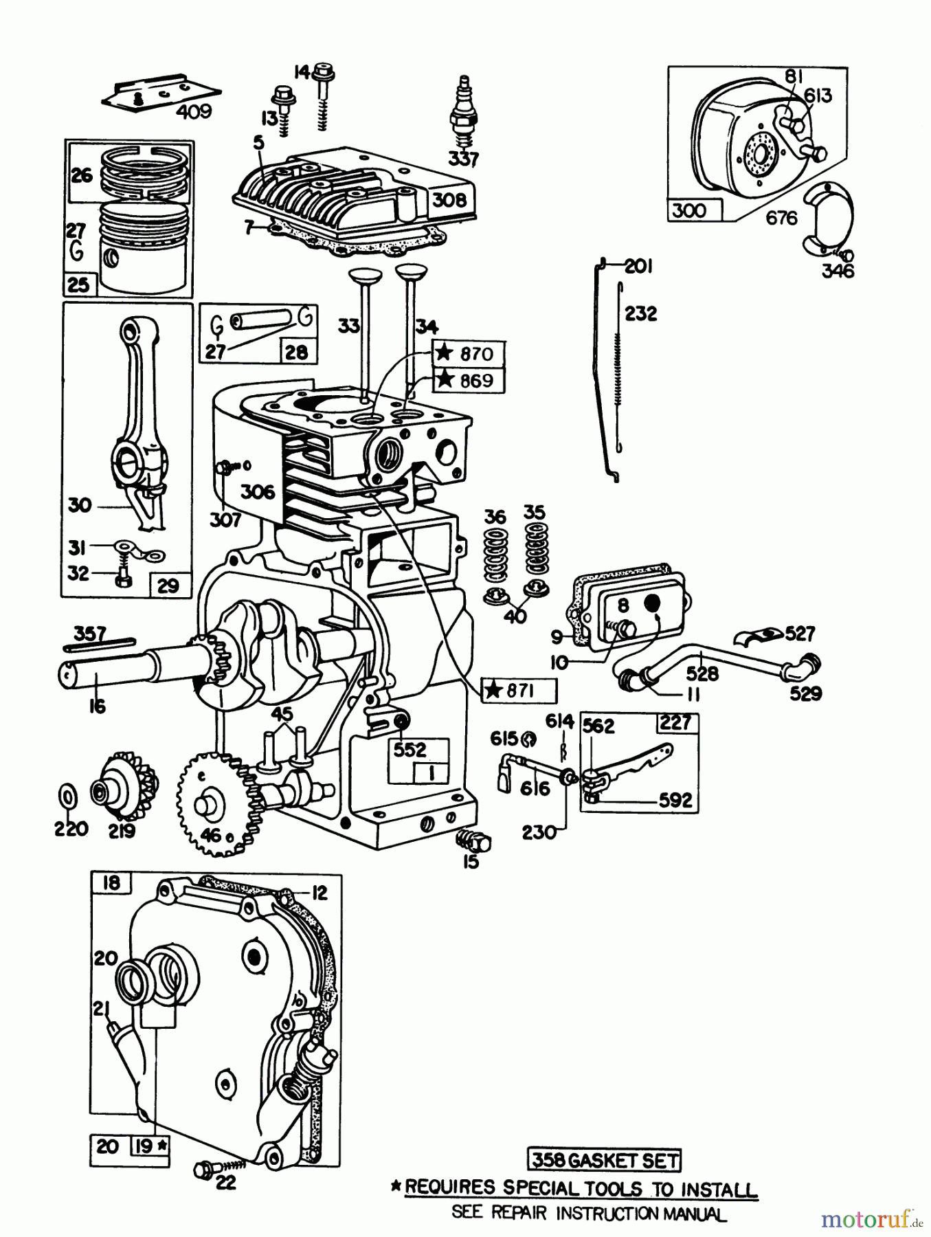
Hier finden Sie die Ersatzteilzeichnung für Toro Neu Blowers/Vacuums/Chippers/Shredders 62923 - Toro 5 hp Lawn Vacuum, 1981 (1000001-1999999) ENGINE. Wählen Sie das benötigte Ersatzteil aus der Ersatzteilliste Ihres Toro Gerätes aus und bestellen Sie einfach online. Viele Toro Ersatzteile halten wir ständig in unserem Lager für Sie bereit.






