Toro 62912 - 5 hp Lawn Vacuum, 1987 (7000001-7999999) ENGINE BRIGGS & STRATTONMODEL NO. 130202-1640-01 Ersatzteile
ENGINE BRIGGS & STRATTONMODEL NO. 130202-1640-01 62912 - Toro 5 hp Lawn Vacuum, 1987 (7000001-7999999)

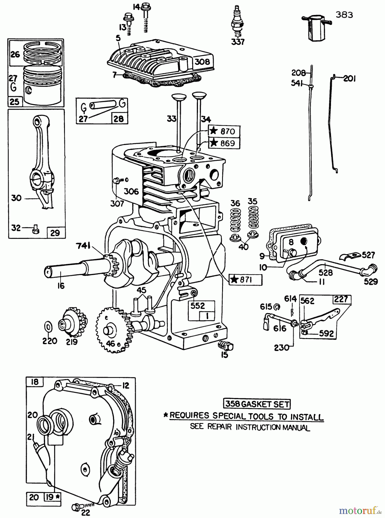
Hier finden Sie die Ersatzteilzeichnung für Toro Neu Blowers/Vacuums/Chippers/Shredders 62912 - Toro 5 hp Lawn Vacuum, 1987 (7000001-7999999) ENGINE BRIGGS & STRATTONMODEL NO. 130202-1640-01. Wählen Sie das benötigte Ersatzteil aus der Ersatzteilliste Ihres Toro Gerätes aus und bestellen Sie einfach online. Viele Toro Ersatzteile halten wir ständig in unserem Lager für Sie bereit.


Qualitätsmanagement
Informieren Sie uns, wenn Sie einen Fehler gefunden haben.



