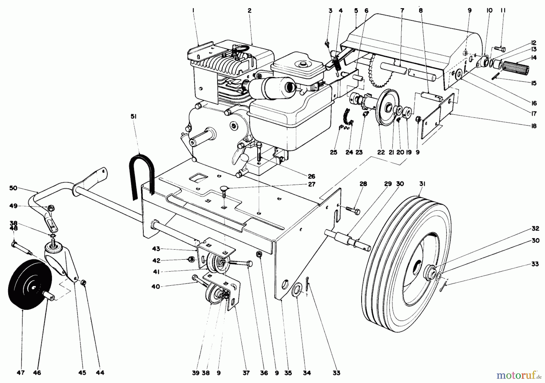
Toro 62911 - 5 hp Lawn Vacuum, 1974 (4000001-4999999) ENGINE AND BASE ASSEMBLY (MODEL 62922) Ersatzteile
ENGINE AND BASE ASSEMBLY (MODEL 62922) 62911 - Toro 5 hp Lawn Vacuum, 1974 (4000001-4999999)

Hier finden Sie die Ersatzteilzeichnung für Toro Neu Blowers/Vacuums/Chippers/Shredders 62911 - Toro 5 hp Lawn Vacuum, 1974 (4000001-4999999) ENGINE AND BASE ASSEMBLY (MODEL 62922). Wählen Sie das benötigte Ersatzteil aus der Ersatzteilliste Ihres Toro Gerätes aus und bestellen Sie einfach online. Viele Toro Ersatzteile halten wir ständig in unserem Lager für Sie bereit.





