Toro 62905 - 5 hp Lawn Blower, 1973 (3000001-3999999) ENGINE MODEL NO. 130202 TYPE 0209 BRIGGS & STRATTON Ersatzteile
ENGINE MODEL NO. 130202 TYPE 0209 BRIGGS & STRATTON 62905 - Toro 5 hp Lawn Blower, 1973 (3000001-3999999)

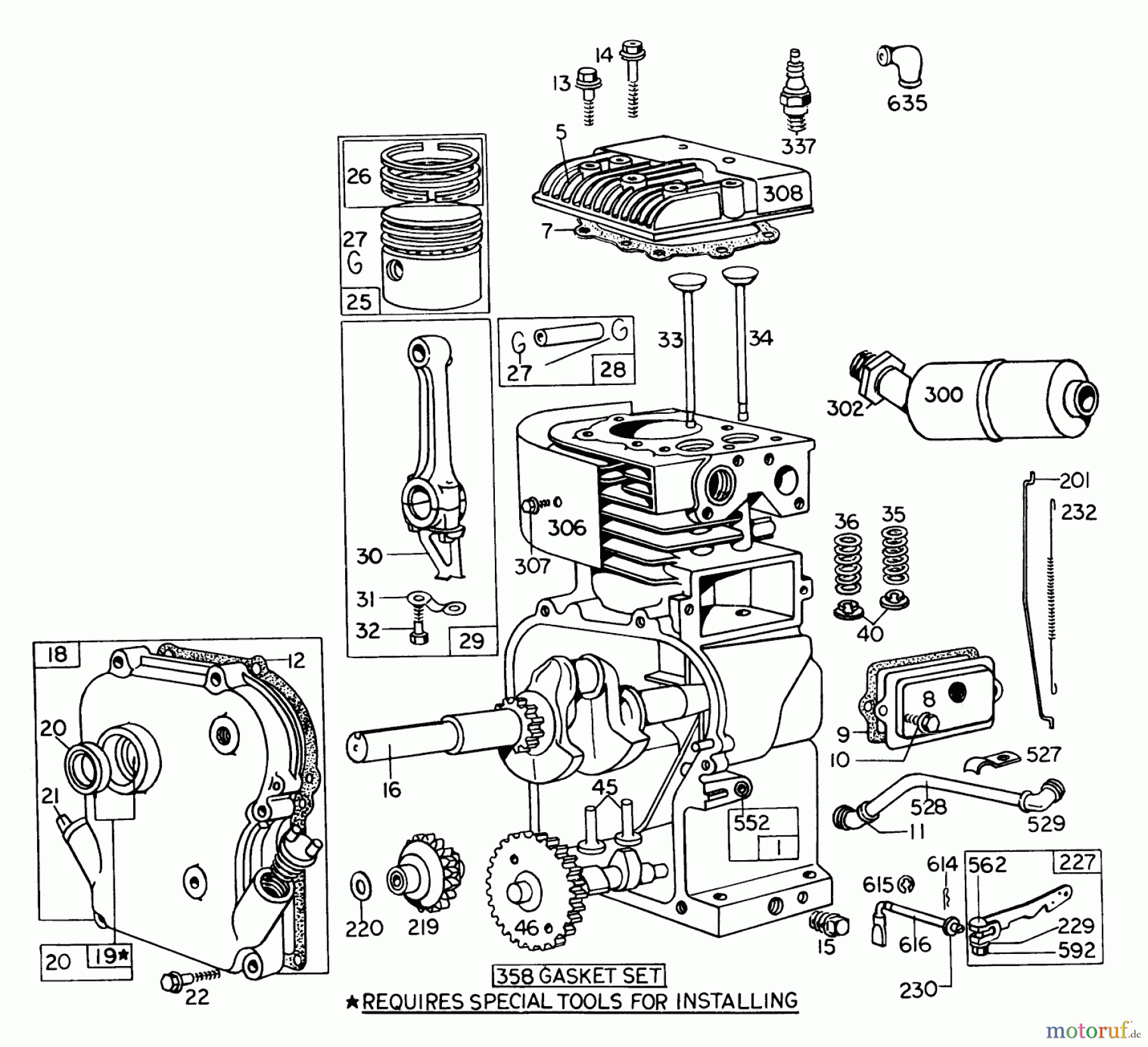
Hier finden Sie die Ersatzteilzeichnung für Toro Neu Blowers/Vacuums/Chippers/Shredders 62905 - Toro 5 hp Lawn Blower, 1973 (3000001-3999999) ENGINE MODEL NO. 130202 TYPE 0209 BRIGGS & STRATTON. Wählen Sie das benötigte Ersatzteil aus der Ersatzteilliste Ihres Toro Gerätes aus und bestellen Sie einfach online. Viele Toro Ersatzteile halten wir ständig in unserem Lager für Sie bereit.





