Toro 62902 - 31cc Blower Vacuum, 1997 (790000001-799999999) BLOWER ASSEMBLY Ersatzteile
BLOWER ASSEMBLY 62902 - Toro 31cc Blower Vacuum, 1997 (790000001-799999999)

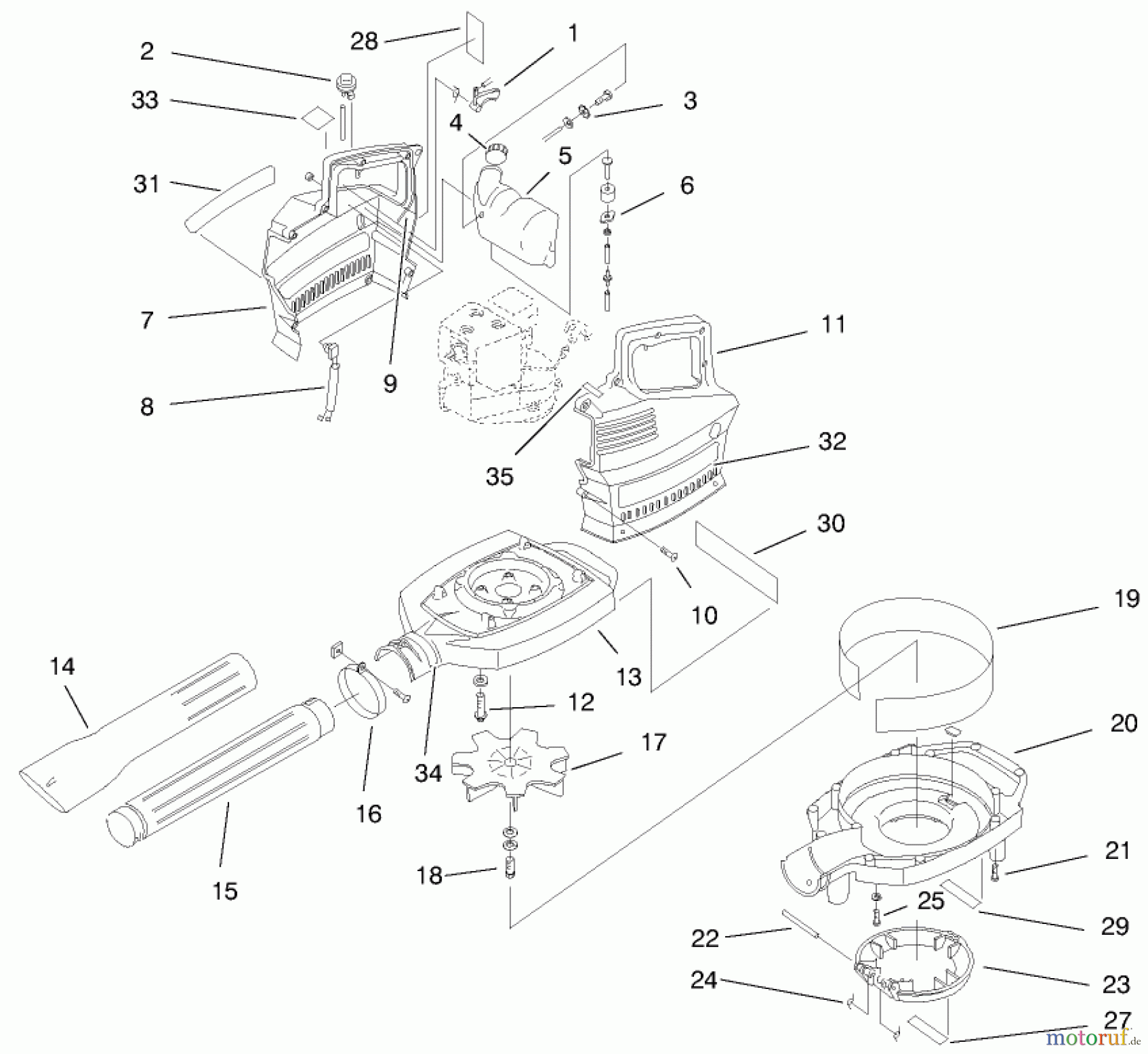
Hier finden Sie die Ersatzteilzeichnung für Toro Neu Blowers/Vacuums/Chippers/Shredders 62902 - Toro 31cc Blower Vacuum, 1997 (790000001-799999999) BLOWER ASSEMBLY. Wählen Sie das benötigte Ersatzteil aus der Ersatzteilliste Ihres Toro Gerätes aus und bestellen Sie einfach online. Viele Toro Ersatzteile halten wir ständig in unserem Lager für Sie bereit.


Qualitätsmanagement
Informieren Sie uns, wenn Sie einen Fehler gefunden haben.

