Toro 62850 - Shredder, 1972 (2000001-2999999) CARBURETOR AIR CLEANER & GAS TANK ASSEMBLY Ersatzteile
CARBURETOR AIR CLEANER & GAS TANK ASSEMBLY 62850 - Toro Shredder, 1972 (2000001-2999999)

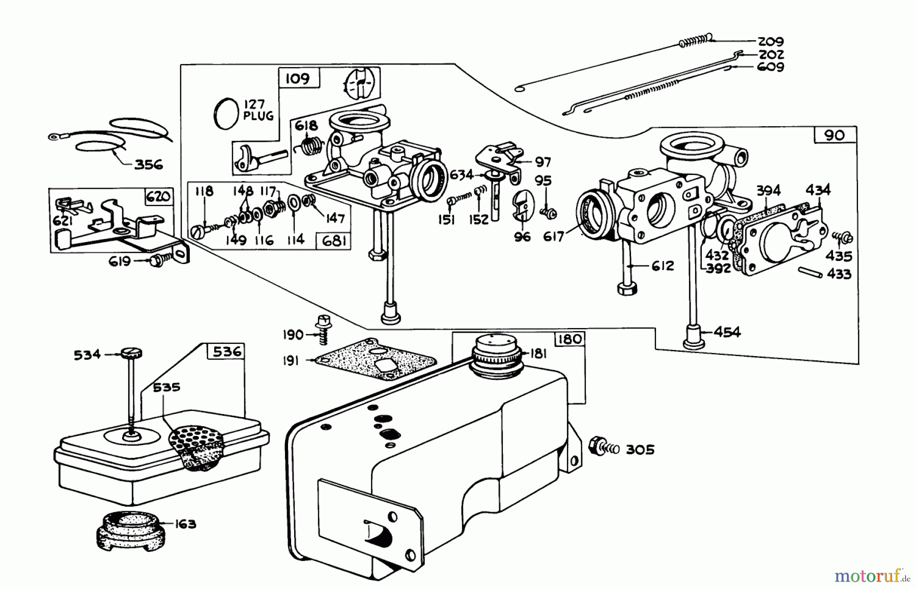
Hier finden Sie die Ersatzteilzeichnung für Toro Neu Blowers/Vacuums/Chippers/Shredders 62850 - Toro Shredder, 1972 (2000001-2999999) CARBURETOR AIR CLEANER & GAS TANK ASSEMBLY. Wählen Sie das benötigte Ersatzteil aus der Ersatzteilliste Ihres Toro Gerätes aus und bestellen Sie einfach online. Viele Toro Ersatzteile halten wir ständig in unserem Lager für Sie bereit.
| BildNr | Artikel Nummer | Bezeichnung | |
| 90 | BS299448 | VERGASER | |
| 95 | BS93385 | ||
| 96 | BS211237 | DROSSELKLAPPE | |
| 97 | BS299692 | DROSSELKLAPPE | |
| 109 | BS390076 | DROSSELKLAPPE | |
| 114 | BS691608 | SCHEIBE | |
| 116 | BS691606 | O-RING | |
| 117 | BS690504 | MUTTER | |
| 118 | BS690266 | SCHRAUBE 23228 | |
| 127 | ![]() | BS691585 | STOPFEN |
| 147 | BS692134 | VENTILSITZ | |
| 148 | BS690257 | UNTERLEGSCHEIBE | |
| 149 | BS691592 | FEDER | |
| 151 | BS92634 | ||
| 152 | BS691783 | FEDER | |
| 163 | BS27660 | LUFTFILTERDICHTUNG | |
| 180 | BS297257 | BENZINTANK | |
| 181 | BS493982 | VERWEIS ZU | |
| 190 | BS93341 | ||
| 191 | BS270073 | TANKDICHTUNG | |
| 202 | BS260654 | GESTAENGE | |
| 209 | BS261108 | REGLERFEDER | |
| 305 | BS94786 | ||
| 356 | BS391013 | VERWEIS-NR. 396585 | |
| 392 | ![]() | BS692206 | Feder f. Benzinpumpe |
| 394 | BS270026 | MEMBRANE 27910 | |
| 432 | BS690766 | FEDERTELLER | |
| 433 | BS690296 | STIFT | |
| 434 | BS214021 | VERWEIS ZU | |
| 435 | BS691619 | SCHRAUBE 93263 | |
| 454 | BS296178 | SIEB | |
| 534 | BS93374 | SCHRAUBE | |
| 535 | BS270447 | FILTERELEMENT | |
| 536 | BS299447 | LUFTFILTER | |
| 609 | BS260029 | REGLERFEDER | |
| 612 | BS497413 | VERWEIS ZU | |
| 617 | BS270074 | VERWEIS ZU | |
| 618 | ![]() | BS260648 | FEDER |
| 619 | BS93380 | SCHRAUBE | |
| 620 | BS297548 | PLATTE | |
| 621 | BS297472S | AUSSCHALTER | |
| 634 | BS270167 | FILZSCHEIBE | |
| 681 | BS299060 | NADELVENTILSATZ | |


Qualitätsmanagement
Informieren Sie uns, wenn Sie einen Fehler gefunden haben.




