Toro 62835 - Shredder, 1972 (2000001-2999999) ENGINE, BRIGGS & STRATTON MODEL NO. 92902-122201 Ersatzteile
ENGINE, BRIGGS & STRATTON MODEL NO. 92902-122201 62835 - Toro Shredder, 1972 (2000001-2999999)

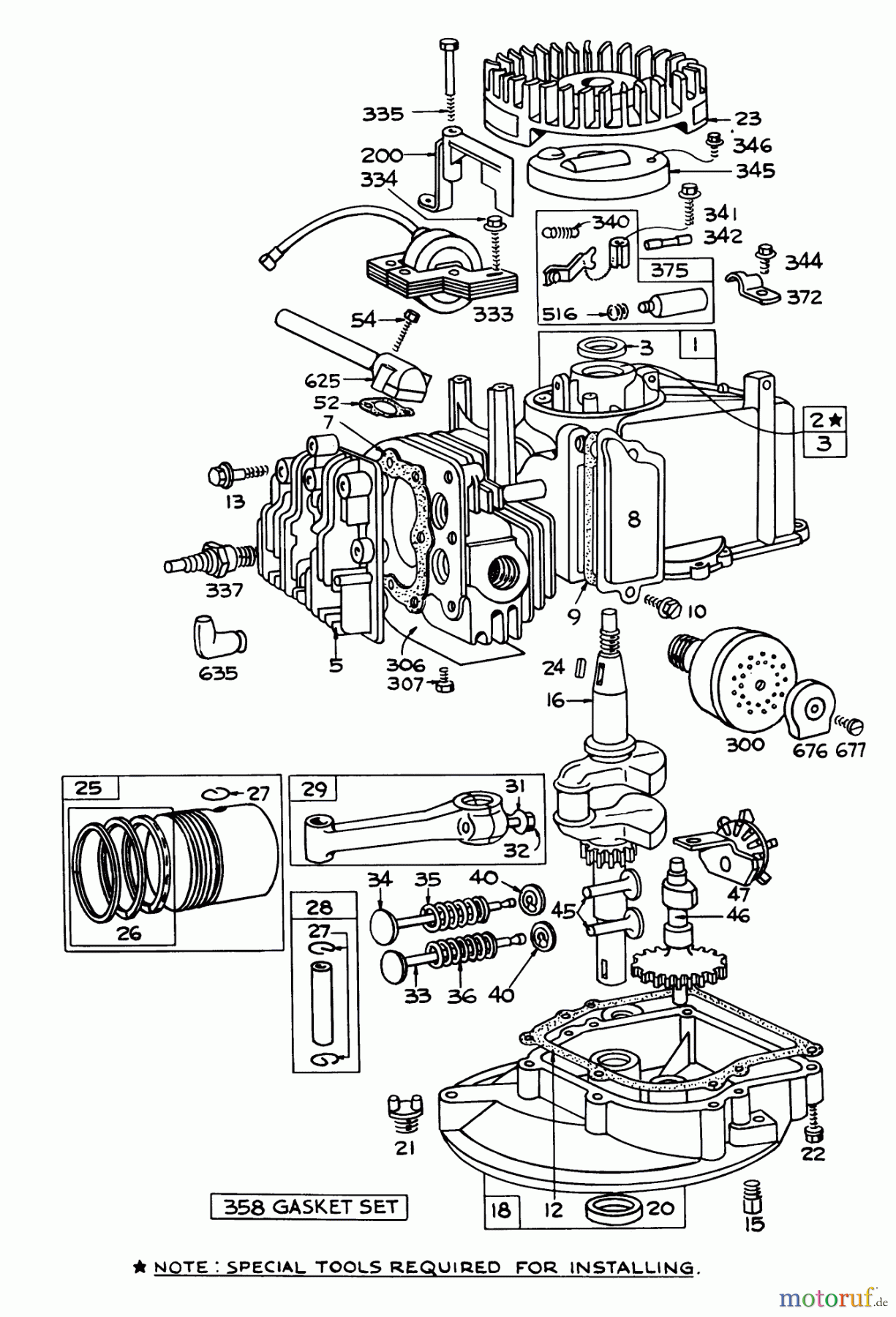
Hier finden Sie die Ersatzteilzeichnung für Toro Neu Blowers/Vacuums/Chippers/Shredders 62835 - Toro Shredder, 1972 (2000001-2999999) ENGINE, BRIGGS & STRATTON MODEL NO. 92902-122201. Wählen Sie das benötigte Ersatzteil aus der Ersatzteilliste Ihres Toro Gerätes aus und bestellen Sie einfach online. Viele Toro Ersatzteile halten wir ständig in unserem Lager für Sie bereit.


Qualitätsmanagement
Informieren Sie uns, wenn Sie einen Fehler gefunden haben.



