Toro 51589 - Quiet Blower Vac, 1999 (99000001-99100000) BLOWERVAC ASSEMBLY Ersatzteile
BLOWERVAC ASSEMBLY 51589 - Toro Quiet Blower Vac, 1999 (99000001-99100000)

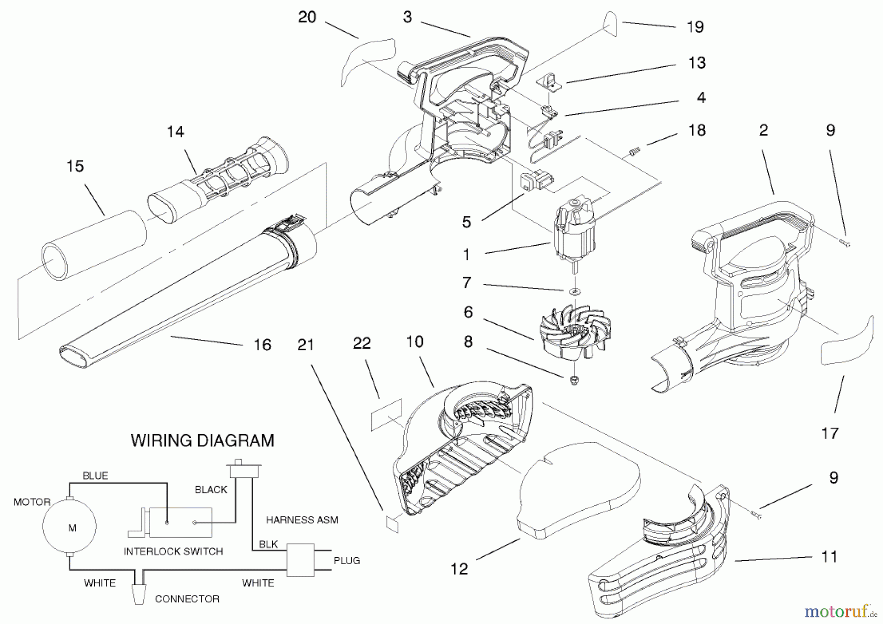
Hier finden Sie die Ersatzteilzeichnung für Toro Neu Blowers/Vacuums/Chippers/Shredders 51589 - Toro Quiet Blower Vac, 1999 (99000001-99100000) BLOWERVAC ASSEMBLY. Wählen Sie das benötigte Ersatzteil aus der Ersatzteilliste Ihres Toro Gerätes aus und bestellen Sie einfach online. Viele Toro Ersatzteile halten wir ständig in unserem Lager für Sie bereit.



