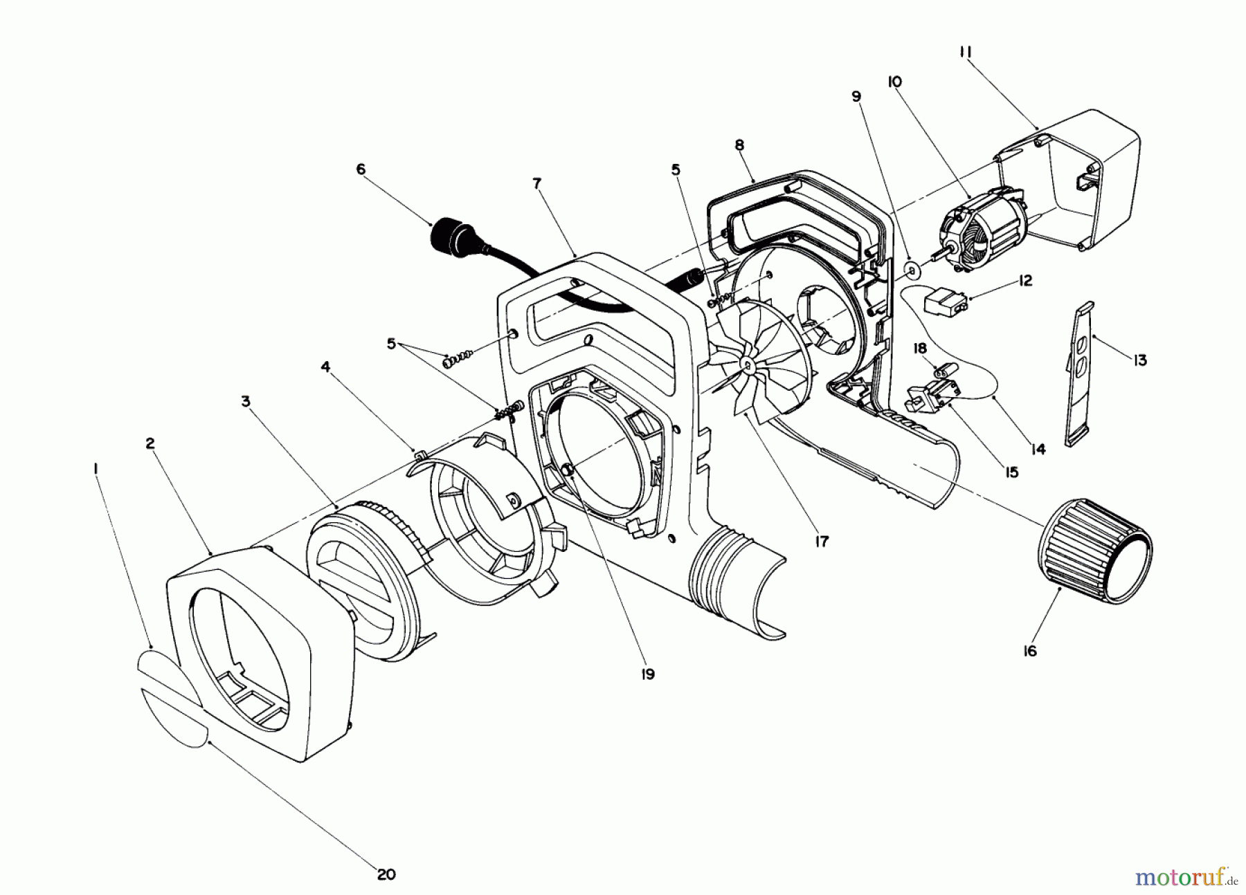
Toro 51545C (550 TBX) - 550 TBX Rake-O-Vac, 1988 (8000001-8999999) BLOWER ASSEMBLY Ersatzteile
BLOWER ASSEMBLY 51545C (550 TBX) - Toro 550 TBX Rake-O-Vac, 1988 (8000001-8999999)

Hier finden Sie die Ersatzteilzeichnung für Toro Neu Blowers/Vacuums/Chippers/Shredders 51545C (550 TBX) - Toro 550 TBX Rake-O-Vac, 1988 (8000001-8999999) BLOWER ASSEMBLY. Wählen Sie das benötigte Ersatzteil aus der Ersatzteilliste Ihres Toro Gerätes aus und bestellen Sie einfach online. Viele Toro Ersatzteile halten wir ständig in unserem Lager für Sie bereit.


Qualitätsmanagement
Informieren Sie uns, wenn Sie einen Fehler gefunden haben.

