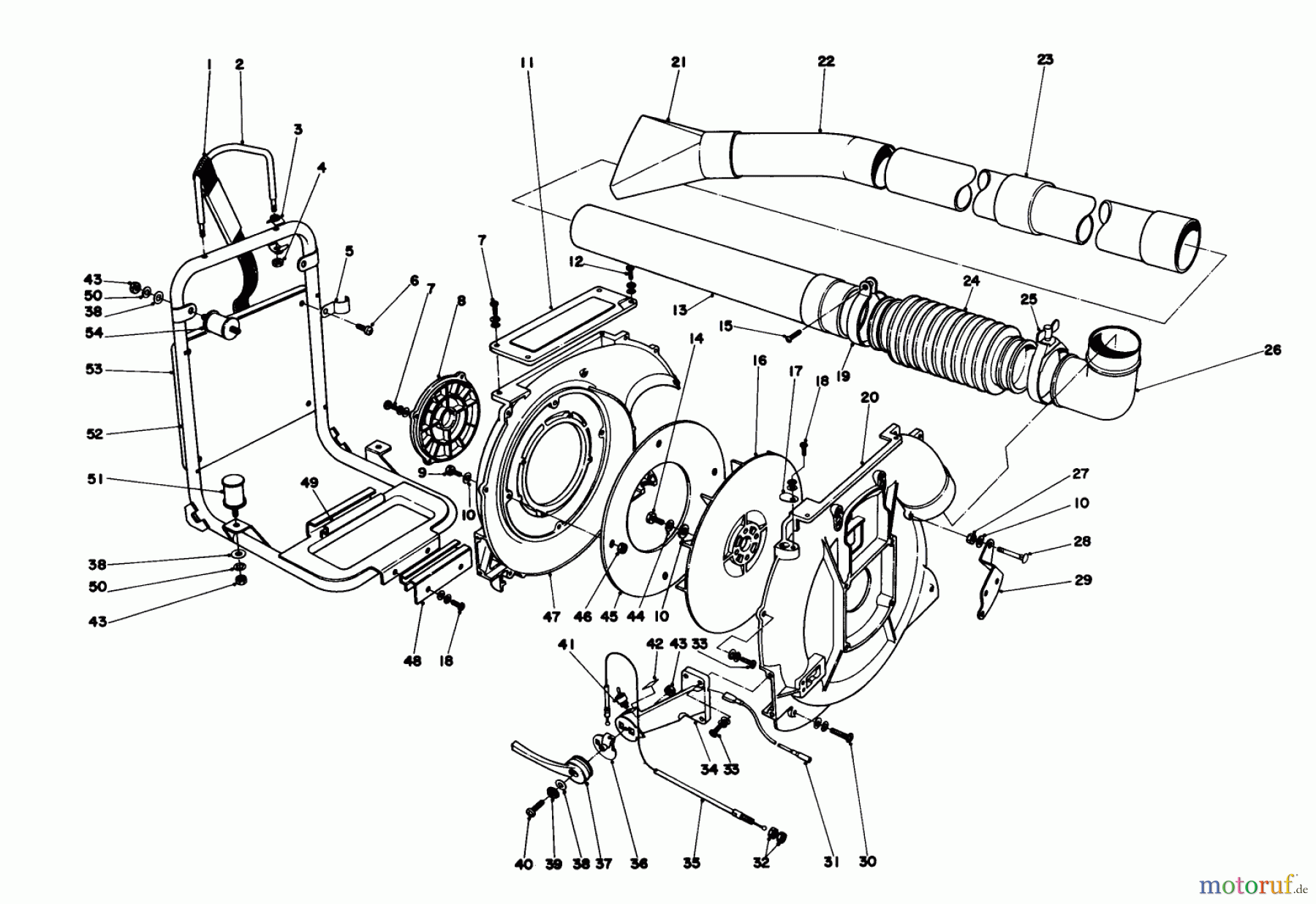
Toro 30940 - 40cc Back Pack Blower, 1981 (1000001-1999999) BACK PACK AND BLOWER HOUSING ASSEMBLY Ersatzteile
BACK PACK AND BLOWER HOUSING ASSEMBLY 30940 - Toro 40cc Back Pack Blower, 1981 (1000001-1999999)

Hier finden Sie die Ersatzteilzeichnung für Toro Neu Blowers/Vacuums/Chippers/Shredders 30940 - Toro 40cc Back Pack Blower, 1981 (1000001-1999999) BACK PACK AND BLOWER HOUSING ASSEMBLY. Wählen Sie das benötigte Ersatzteil aus der Ersatzteilliste Ihres Toro Gerätes aus und bestellen Sie einfach online. Viele Toro Ersatzteile halten wir ständig in unserem Lager für Sie bereit.


Qualitätsmanagement
Informieren Sie uns, wenn Sie einen Fehler gefunden haben.

