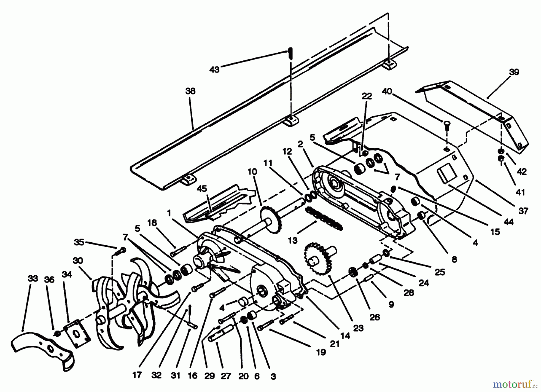
Toro 79370 - 36" Tiller, 300 Series Garden Tractors, 1993 (3900001-3999999) GEAR CASE ASSEMBLY Ersatzteile
GEAR CASE ASSEMBLY 79370 - Toro 36" Tiller, 300 Series Garden Tractors, 1993 (3900001-3999999)

Hier finden Sie die Ersatzteilzeichnung für Toro Neu Accessories, Tiller/Cultivator 79370 - Toro 36" Tiller, 300 Series Garden Tractors, 1993 (3900001-3999999) GEAR CASE ASSEMBLY. Wählen Sie das benötigte Ersatzteil aus der Ersatzteilliste Ihres Toro Gerätes aus und bestellen Sie einfach online. Viele Toro Ersatzteile halten wir ständig in unserem Lager für Sie bereit.


Qualitätsmanagement
Informieren Sie uns, wenn Sie einen Fehler gefunden haben.


