Toro 7-1221 - 32" Tiller, 1969 PARTS LIST FOR TILLER MODEL 7-1221 Ersatzteile
PARTS LIST FOR TILLER MODEL 7-1221 7-1221 - Toro 32" Tiller, 1969

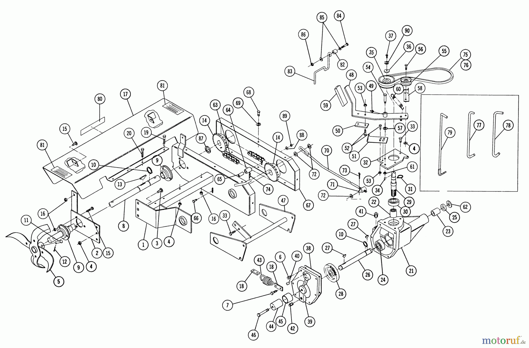
Hier finden Sie die Ersatzteilzeichnung für Toro Neu Accessories, Tiller/Cultivator 7-1221 - Toro 32" Tiller, 1969 PARTS LIST FOR TILLER MODEL 7-1221. Wählen Sie das benötigte Ersatzteil aus der Ersatzteilliste Ihres Toro Gerätes aus und bestellen Sie einfach online. Viele Toro Ersatzteile halten wir ständig in unserem Lager für Sie bereit.


Qualitätsmanagement
Informieren Sie uns, wenn Sie einen Fehler gefunden haben.






