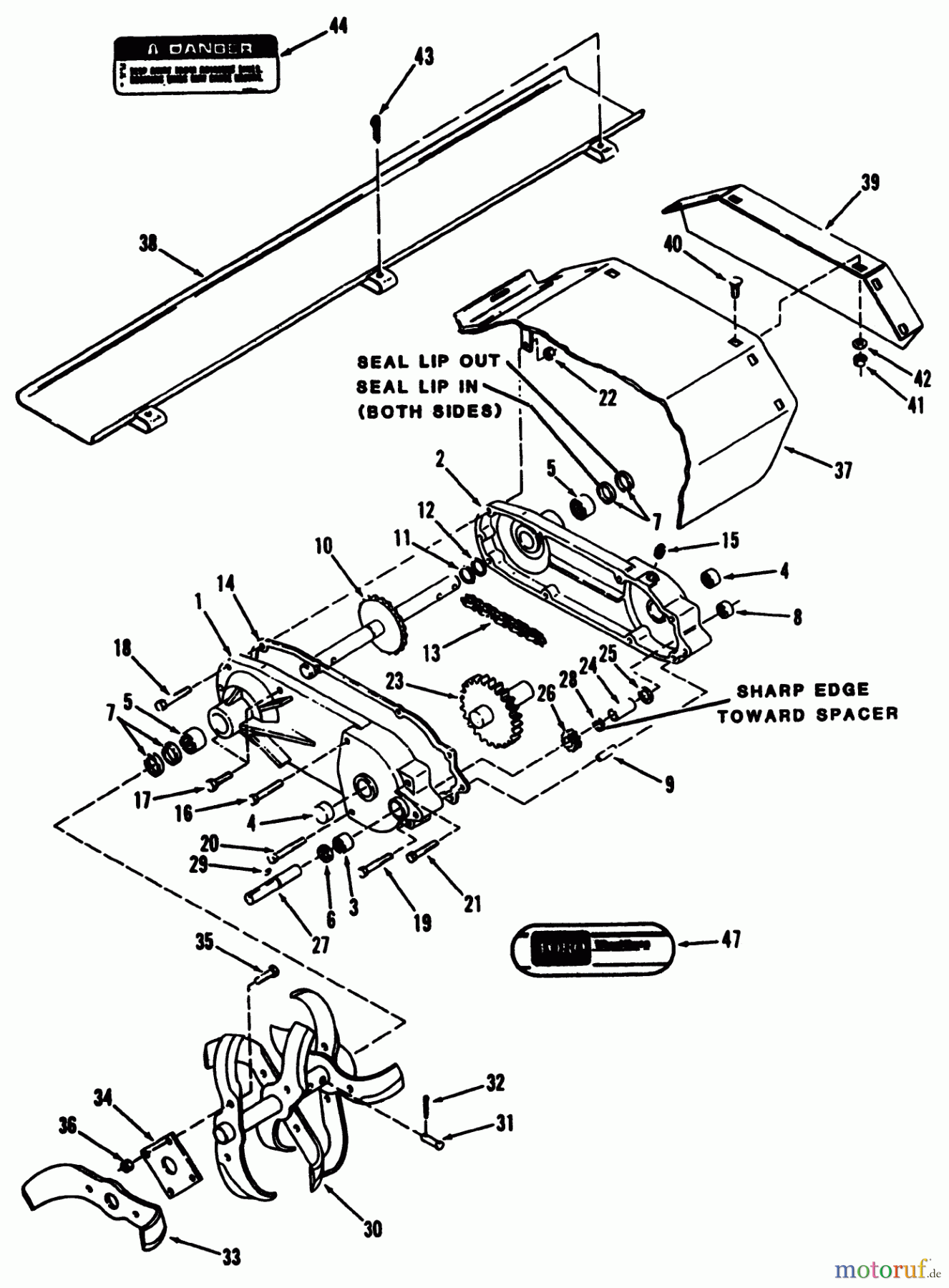
Toro 07-36TL05 - 36" Tiller, 1992 (2000001-2999999) GEAR CASE ASSEMBLY Ersatzteile
GEAR CASE ASSEMBLY 07-36TL05 - Toro 36" Tiller, 1992 (2000001-2999999)

Hier finden Sie die Ersatzteilzeichnung für Toro Neu Accessories, Tiller/Cultivator 07-36TL05 - Toro 36" Tiller, 1992 (2000001-2999999) GEAR CASE ASSEMBLY. Wählen Sie das benötigte Ersatzteil aus der Ersatzteilliste Ihres Toro Gerätes aus und bestellen Sie einfach online. Viele Toro Ersatzteile halten wir ständig in unserem Lager für Sie bereit.


Qualitätsmanagement
Informieren Sie uns, wenn Sie einen Fehler gefunden haben.


