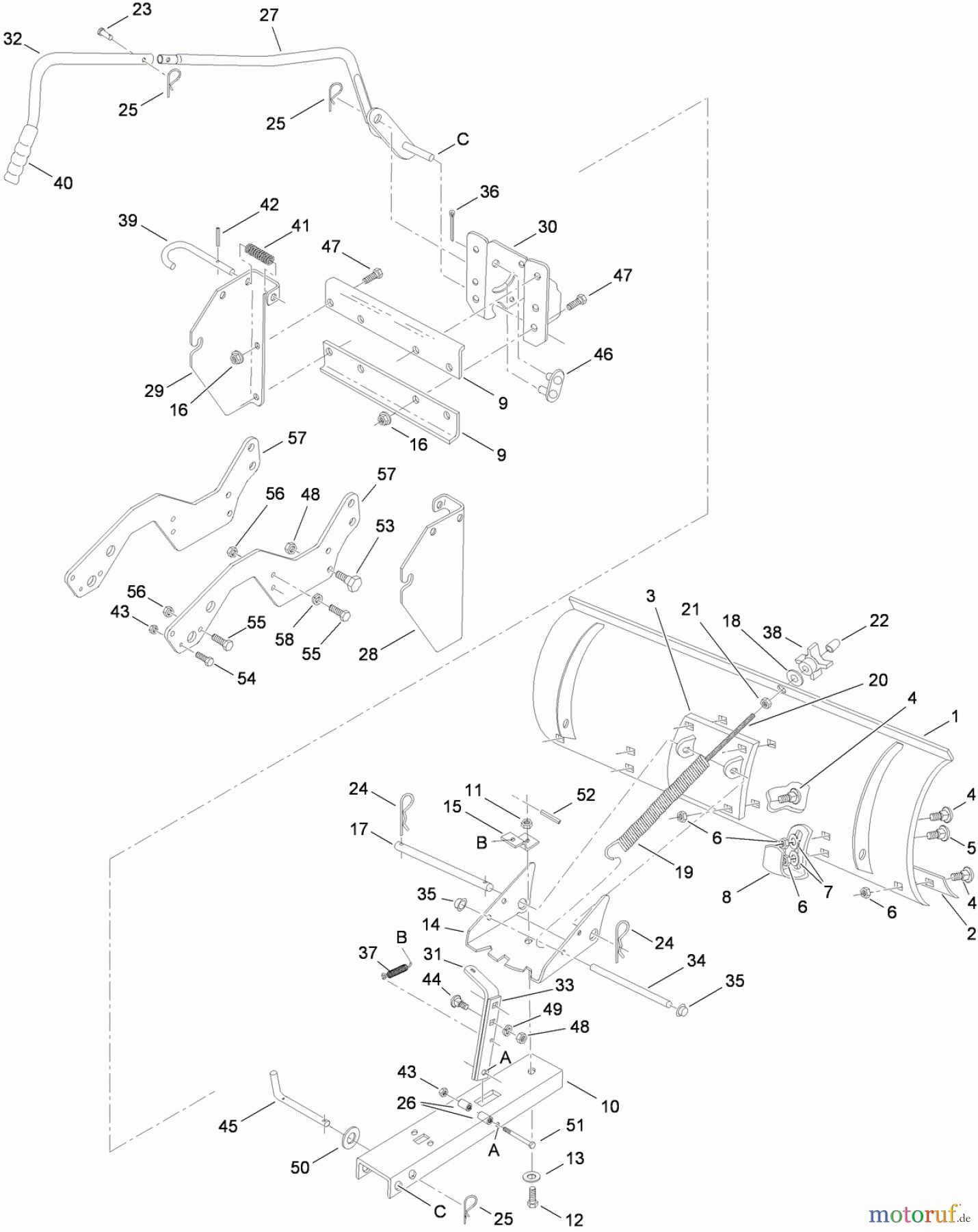
Toro OEM-190-833 - 46in Front Blade, 2010 (1-1) 46 INCH FRONT BLADE ASSEMBLY Ersatzteile
46 INCH FRONT BLADE ASSEMBLY OEM-190-833 - Toro 46in Front Blade, 2010 (1-1)

Hier finden Sie die Ersatzteilzeichnung für Toro Neu Accessories, Snow OEM-190-833 - Toro 46in Front Blade, 2010 (1-1) 46 INCH FRONT BLADE ASSEMBLY. Wählen Sie das benötigte Ersatzteil aus der Ersatzteilliste Ihres Toro Gerätes aus und bestellen Sie einfach online. Viele Toro Ersatzteile halten wir ständig in unserem Lager für Sie bereit.


Qualitätsmanagement
Informieren Sie uns, wenn Sie einen Fehler gefunden haben.

