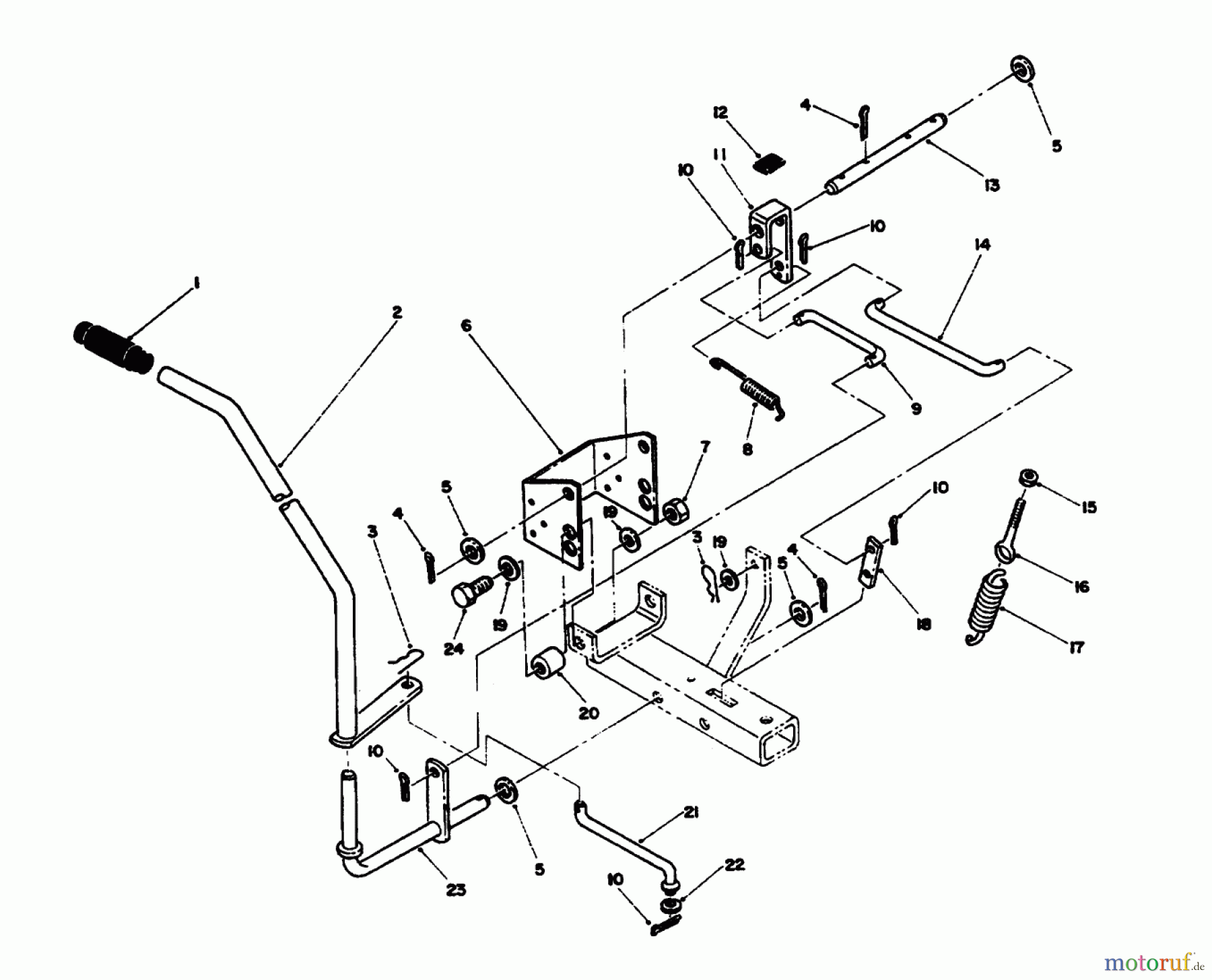
Toro 79150 - 42" Snow Blade, XL Series Lawn Tractor, 1994 (4900001-4999999) HANDLE ASSEMBLY Ersatzteile
HANDLE ASSEMBLY 79150 - Toro 42" Snow Blade, XL Series Lawn Tractor, 1994 (4900001-4999999)

Hier finden Sie die Ersatzteilzeichnung für Toro Neu Accessories, Snow 79150 - Toro 42" Snow Blade, XL Series Lawn Tractor, 1994 (4900001-4999999) HANDLE ASSEMBLY. Wählen Sie das benötigte Ersatzteil aus der Ersatzteilliste Ihres Toro Gerätes aus und bestellen Sie einfach online. Viele Toro Ersatzteile halten wir ständig in unserem Lager für Sie bereit.


Qualitätsmanagement
Informieren Sie uns, wenn Sie einen Fehler gefunden haben.



