Toro 59027 - 36" Snow Blade, 1970 (0000001-0999999) 7 H.P. TRACTOR SNOW BLADE 36" (MODEL NO. 59027) Ersatzteile
7 H.P. TRACTOR SNOW BLADE 36" (MODEL NO. 59027) 59027 - Toro 36" Snow Blade, 1970 (0000001-0999999)

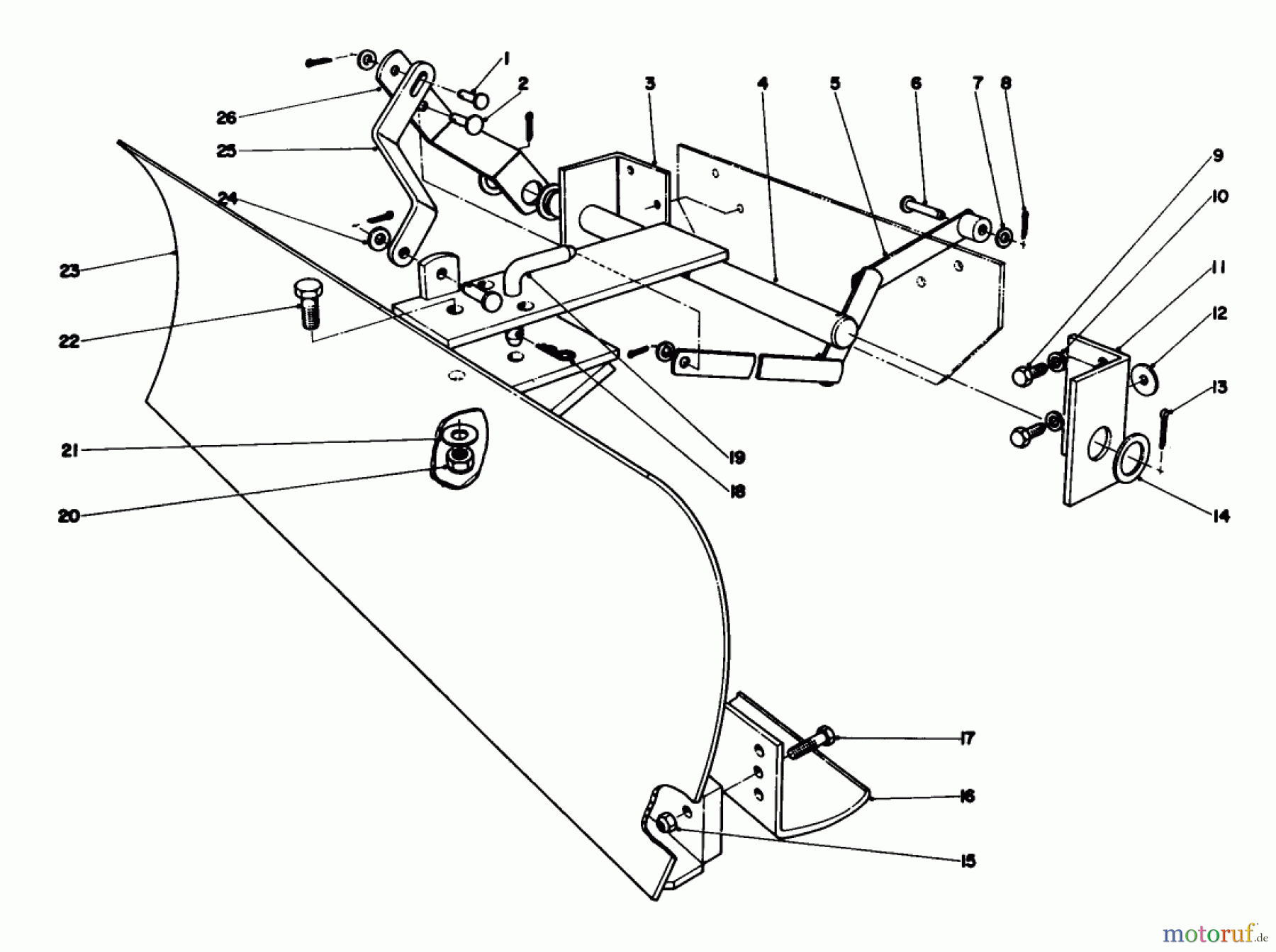
Hier finden Sie die Ersatzteilzeichnung für Toro Neu Accessories, Snow 59027 - Toro 36" Snow Blade, 1970 (0000001-0999999) 7 H.P. TRACTOR SNOW BLADE 36" (MODEL NO. 59027). Wählen Sie das benötigte Ersatzteil aus der Ersatzteilliste Ihres Toro Gerätes aus und bestellen Sie einfach online. Viele Toro Ersatzteile halten wir ständig in unserem Lager für Sie bereit.
| BildNr | Artikel Nummer | Bezeichnung | |
| 1 | TR283-2 | Bolzen | |
| 2 | TR7-0860 | ||
| 3 | TR7-1025 | ||
| 4 | TR7-3615 | ||
| 5 | TR7-3612 | ||
| 6 | TR70106 | 321-8 | |
| 7 | TR3256-4 | WASHER-FLAT | |
| 8 | TR3272-11 | Splint | |
| 9 | TR322-5 | Schraube | |
| 10 | TR3253-4 | Federring | |
| 11 | TR7-1024 | ||
| 12 | TR7-0532 | ||
| 13 | TR3272-52(S | ||
| 14 | TR7-0481 | ||
| 15 | TR32152-1 | Mutter | |
| 16 | TR7-1023 | DISCONTINUED | |
| 17 | TR322-6 | Schraube | |
| 18 | TR3290-255 | Sicherung | |
| 19 | TR7-1022 | ||
| 20 | TR32152-3(s | ||
| 21 | TR3256-6 | Scheibe | |
| 22 | TR325-6 | Schraube | |
| 23 | TR7-1020 | ||
| 24 | ![]() | TR3256-24 | WASHER-FLAT |
| 25 | TR7-3617 | ||
| 26 | TR7-3616 | ||


Qualitätsmanagement
Informieren Sie uns, wenn Sie einen Fehler gefunden haben.


