Toro 95-7067 - Washout Port, For International Lawn Mower WASHOUT PORT ASSEMBLY Ersatzteile
WASHOUT PORT ASSEMBLY 95-7067 - Toro Washout Port, For International Lawn Mower

Hier finden Sie die Ersatzteilzeichnung für Toro Neu Accessories, Mower 95-7067 - Toro Washout Port, For International Lawn Mower WASHOUT PORT ASSEMBLY. Wählen Sie das benötigte Ersatzteil aus der Ersatzteilliste Ihres Toro Gerätes aus und bestellen Sie einfach online. Viele Toro Ersatzteile halten wir ständig in unserem Lager für Sie bereit.
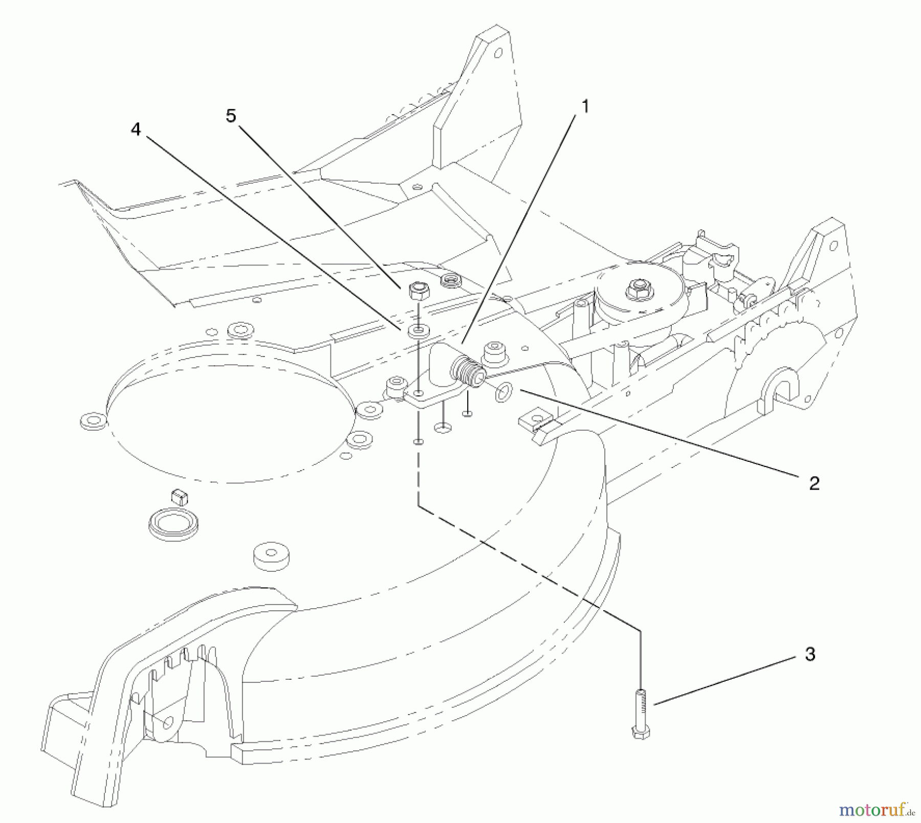
| BildNr | Artikel Nummer | Bezeichnung | |
| 1 | TR95-2747 | FITTING-WASHOUT | |
| 2 | TR46-6290 | O-RING, SEAL | |
| 3 | TR321-5 | Schraube | |
| 4 | TR3256-1 | SCHEIBE F. KLEMME | |
| 5 | TR3296-16 | Mutter | |



