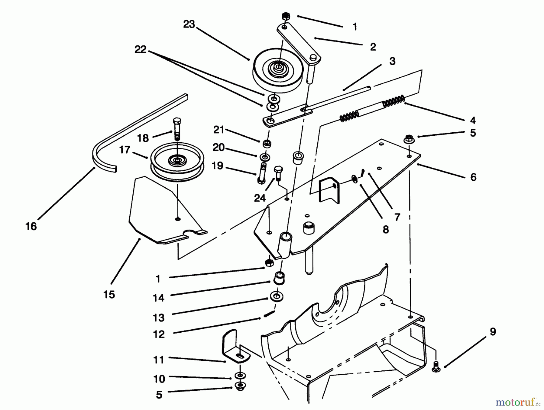
Toro 79203 - 42"/48" Vac-Bagger, 260 Series Yard Tractors, 1995 (5900001-5999999) PULLEY & BELT ASSEMBLY Ersatzteile
PULLEY & BELT ASSEMBLY 79203 - Toro 42"/48" Vac-Bagger, 260 Series Yard Tractors, 1995 (5900001-5999999)

Hier finden Sie die Ersatzteilzeichnung für Toro Neu Accessories, Mower 79203 - Toro 42"/48" Vac-Bagger, 260 Series Yard Tractors, 1995 (5900001-5999999) PULLEY & BELT ASSEMBLY. Wählen Sie das benötigte Ersatzteil aus der Ersatzteilliste Ihres Toro Gerätes aus und bestellen Sie einfach online. Viele Toro Ersatzteile halten wir ständig in unserem Lager für Sie bereit.


Qualitätsmanagement
Informieren Sie uns, wenn Sie einen Fehler gefunden haben.



