Toro 59155 - Mulcher Kit, 32" Mower FRONT AXLE ASSEMBLY Ersatzteile
FRONT AXLE ASSEMBLY 59155 - Toro Mulcher Kit, 32" Mower

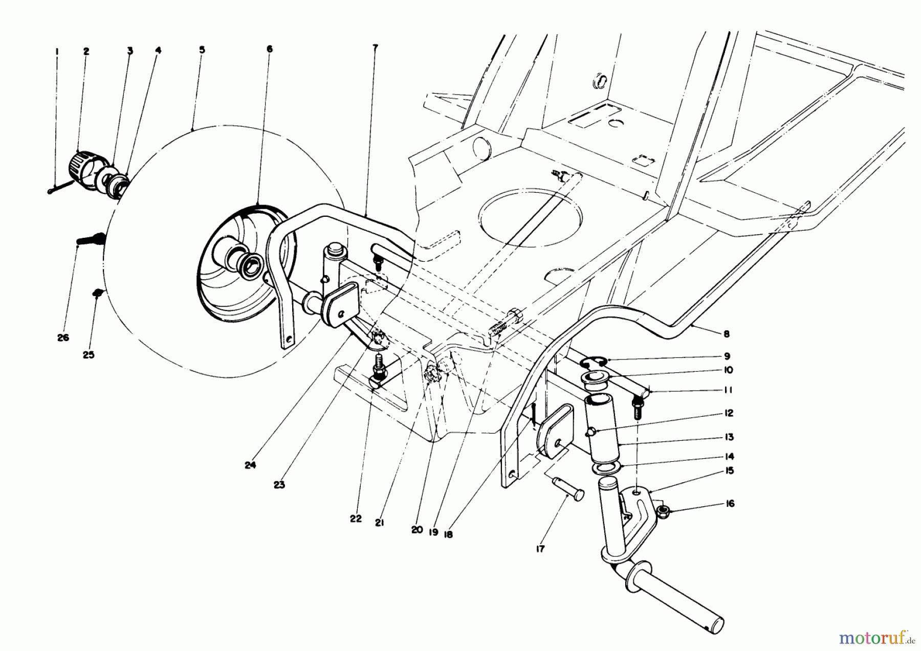
Hier finden Sie die Ersatzteilzeichnung für Toro Neu Accessories, Mower 59155 - Toro Mulcher Kit, 32" Mower FRONT AXLE ASSEMBLY. Wählen Sie das benötigte Ersatzteil aus der Ersatzteilliste Ihres Toro Gerätes aus und bestellen Sie einfach online. Viele Toro Ersatzteile halten wir ständig in unserem Lager für Sie bereit.


Qualitätsmanagement
Informieren Sie uns, wenn Sie einen Fehler gefunden haben.


