Toro 20313 - 21" Whirlwind Implement, 1971 (1000001-1999999) 21" WHIRLWIND S.P. IMPLEMENT Ersatzteile
21" WHIRLWIND S.P. IMPLEMENT 20313 - Toro 21" Whirlwind Implement, 1971 (1000001-1999999)

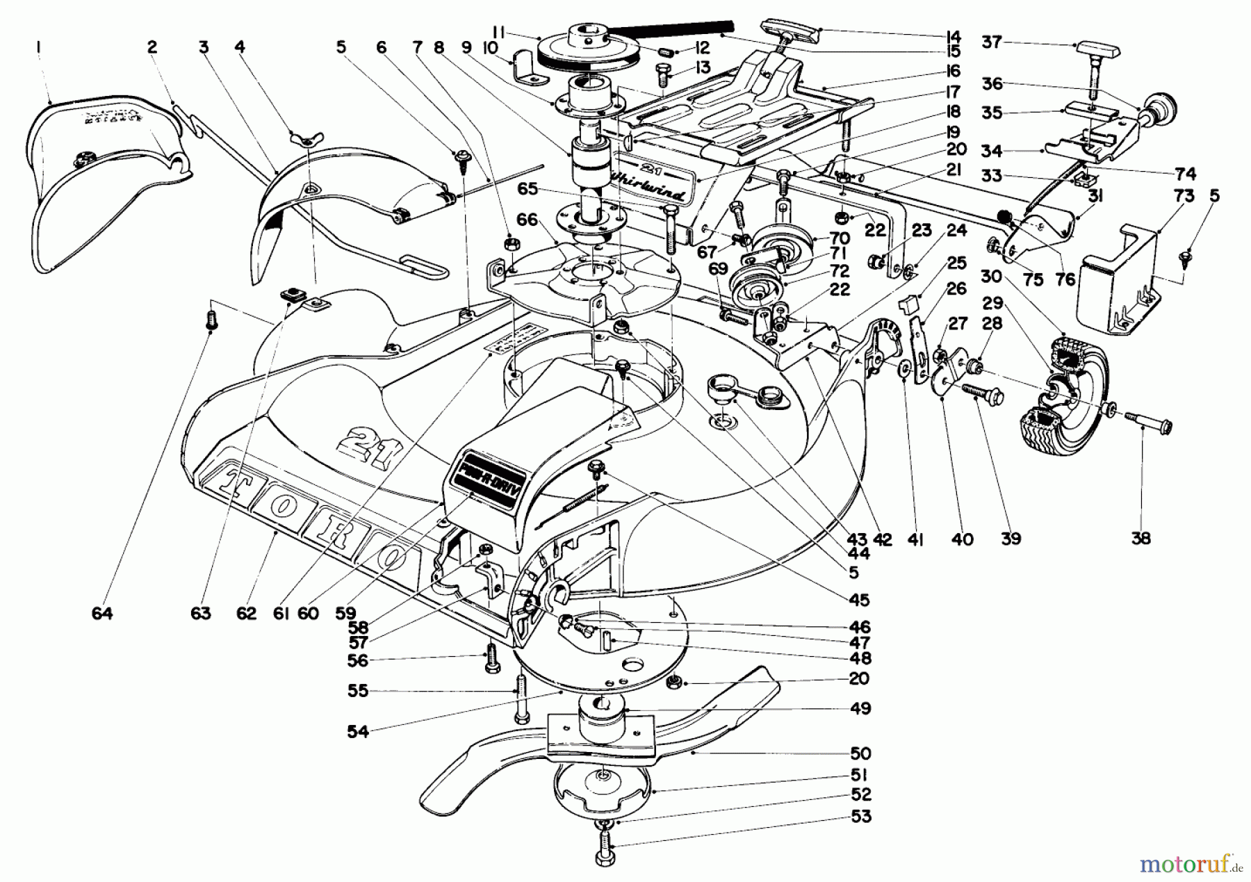
Hier finden Sie die Ersatzteilzeichnung für Toro Neu Accessories, Mower 20313 - Toro 21" Whirlwind Implement, 1971 (1000001-1999999) 21" WHIRLWIND S.P. IMPLEMENT. Wählen Sie das benötigte Ersatzteil aus der Ersatzteilliste Ihres Toro Gerätes aus und bestellen Sie einfach online. Viele Toro Ersatzteile halten wir ständig in unserem Lager für Sie bereit.


Qualitätsmanagement
Informieren Sie uns, wenn Sie einen Fehler gefunden haben.




