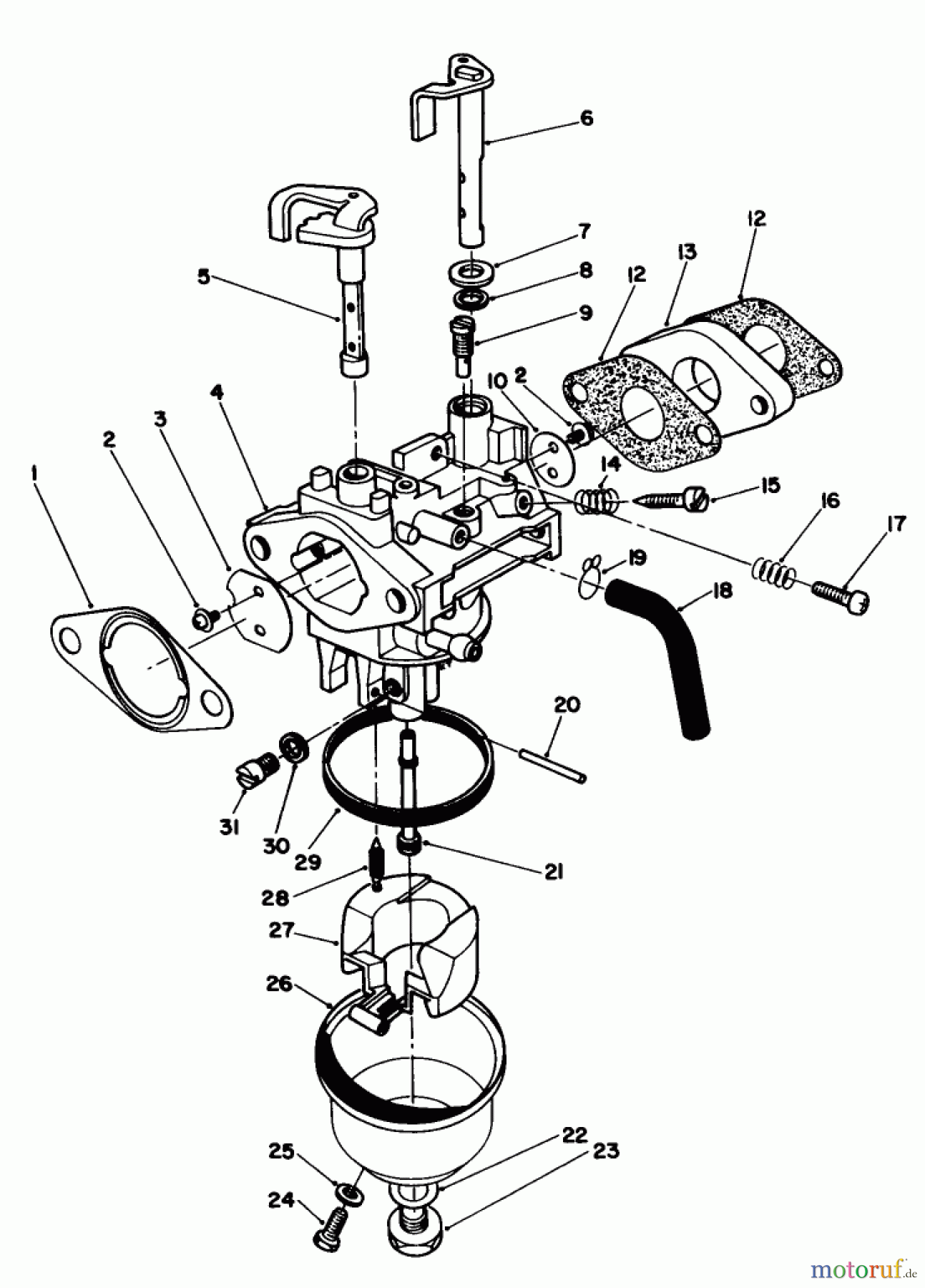
Toro 11-0189 - Grass Bag Assembly, 21" Rear Bagger Mowers CARBURETOR ASSEMBLY Ersatzteile
CARBURETOR ASSEMBLY 11-0189 - Toro Grass Bag Assembly, 21" Rear Bagger Mowers

Hier finden Sie die Ersatzteilzeichnung für Toro Neu Accessories, Mower 11-0189 - Toro Grass Bag Assembly, 21" Rear Bagger Mowers CARBURETOR ASSEMBLY. Wählen Sie das benötigte Ersatzteil aus der Ersatzteilliste Ihres Toro Gerätes aus und bestellen Sie einfach online. Viele Toro Ersatzteile halten wir ständig in unserem Lager für Sie bereit.