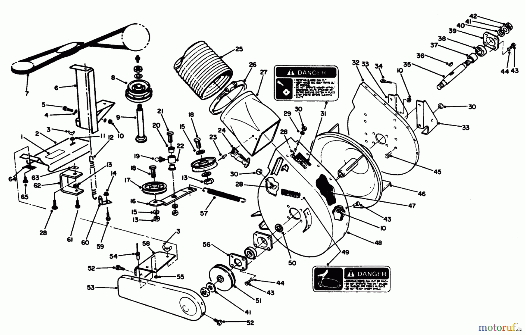
Toro 07-52VY01 - 52" Vacuum Bagger, 1992 (2000001-2999999) BLOWER ASSEMBLY Ersatzteile
BLOWER ASSEMBLY 07-52VY01 - Toro 52" Vacuum Bagger, 1992 (2000001-2999999)

Hier finden Sie die Ersatzteilzeichnung für Toro Neu Accessories, Mower 07-52VY01 - Toro 52" Vacuum Bagger, 1992 (2000001-2999999) BLOWER ASSEMBLY. Wählen Sie das benötigte Ersatzteil aus der Ersatzteilliste Ihres Toro Gerätes aus und bestellen Sie einfach online. Viele Toro Ersatzteile halten wir ständig in unserem Lager für Sie bereit.






